Paso 1:

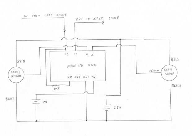
El código "serpentea" el servo del resorte, entonces mueve el "servo de liberación". El servo del resorte se desenrolle (catapulta cae de nuevo a la posición de arranque) y el "servo de liberación" se mueve a la posición de cierre. Entonces se activa la señal de "la rana ha dejado".
#include < Servo.h >
Servo myservo;
Lanzamiento del servo;
int inicio = 13;
int siguiente = 11;
int val = 0;
void setup)
{myservo.attach(5);
Release.Attach(6);
pinMode (comienzo, entrada);
pinMode (a continuación, salida);
digitalWrite (next, HIGH);
myservo.Write(150);
Release.Write(120);
}
void loop)
{val=digitalRead(start);
if(Val==Low)
{myservo.write(5);
Delay(1000);
Release.Write(180);
Delay(1000);
myservo.Write(150);
Delay(2000);
Release.Write(120);
digitalWrite (next, LOW);
Delay(1000);
digitalWrite (next, HIGH);
}}