Paso 2: Conectar el LCD con Arduino


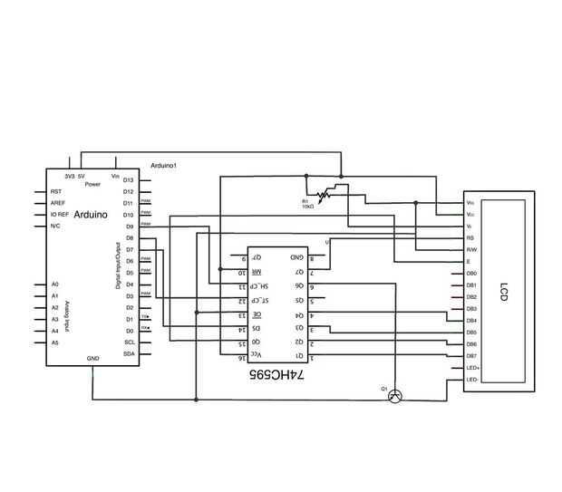
Ahora puede conectar el arduino a la pantalla LCD de todas formas prefieres para conectar el arduino y la pantalla LCD utiliza un proyecto que encontré aquí en instructables que encontré realmente útil le permite utilizar un registro de cambio para conectar el arduino y el LCD usando sólo 3 cables, pero siempre se puede conectar la pantalla LCD directamente para el arduino si no necesita las patas adicionales en el arduino. Las partes principales utilizadas son el arduino, la pantalla LCD, un registro de desplazamiento y un transistor de NPN para el contraluz del LED de la pantalla LCD
Este es el link a ese instructivo: aquí puede seguir los pasos y encontrar la lista completa de piezas necesarias allí.
Si conectas el arduino de ninguna otra manera puede que tenga que cambiar un par de cosas en el código como la biblioteca de importación, la forma en la pantalla LCD es inicializada y algunos comandos para imprimir en la LCDmight ser diferente.