Forma remota controlada cámara VGA - Resumen (1 / 11 paso)

Paso 1: Cámara VGA - diagrama del circuito de control remoto

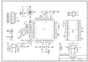
Vamos a empezar desde el diseño de esquemas. Como un diseño electrónico herramienta de automatización llamada gEDA es elegido (http://www.geda-project.org). A pesar de su renombre enorme águila sistema eventualmente fue rechazado como las dimensiones de la PCB principal no están cubiertas por la licencia libre del águila y el costo de la licencia de substancial. Al mismo tiempo, gEDA tiene suficientes capacidades que permitan el diseño de este proyecto.

Dos diagramas de circuito deben ser diseñados, uno para el módulo principal y uno para GSM módulo de transporte.

Artículos Relacionados

Arreglar una llanta de bicicleta plana - la forma de la cámara

Arreglar una llanta de bicicleta plana - la forma de la cámara

La forma de la cámara - aka - cómo arreglar un pinchazo con su cordónCuando se trata de fijar una rueda pinchada sugiero primero contemplando su filosofía ante la vida. La teoría de la llanta pinchada es simple, la realidad puede ser exasperante para
Cómo utilizar Arduino para encender una lámpara de forma remota, directamente desde tu iPhone/Android

Cómo utilizar Arduino para encender una lámpara de forma remota, directamente desde tu iPhone/Android

con Arduino, usted realmente puede hacer tantos proyectos divertidos y útiles, especialmente para facilitar algunas tareas en casa. En este artículo veremos cómo usar el Arduino para encender remotamente una lámpara, o cualquier dispositivo que esté
Bolsa en forma de estrella de mar

Bolsa en forma de estrella de mar

Hola allí! Usted aprenderá cómo hacer una bolsa con forma de estrella de mar para guardarlo que quieras en él.Paso 1: Paso 1: materiales You will need:-Tela. He usado PVC plastificado, en dos colores.-Un patrón de estrella de mar.-Un marcador o tiza
Válvula de manguera remota controlada

Válvula de manguera remota controlada

no estoy seguro de cómo muchas aplicaciones prácticas se pueden encontrar para este dispositivo, pero la idea es sonida y era una construcción rápida y fácil así que pensé compartiría con otros.Tenemos un gato al aire libre, y hace poco me di cuenta
Smart AC: Supervisar y controlar la temperatura de su hogar de forma remota!

Smart AC: Supervisar y controlar la temperatura de su hogar de forma remota!

¿Quieres un acondicionador de aire inteligente sin tener que comprar uno nuevo? Adaptar la existente unidad de ventana con littleBits y convertirlo en un dispositivo conectado a internet. ¿Olvida apagar el AC? No hay problema, sólo tiene que pulsar u
Controlar su teclado y mouse de frambuesa pi forma remota sin conexión física del ratón y el teclado (no vnc)

Controlar su teclado y mouse de frambuesa pi forma remota sin conexión física del ratón y el teclado (no vnc)

En uno de mis proyectos que necesitaba acceder a múltiples tartas de frambuesa para controlar el ratón y el teclado en pantalla sin conectar un ratón físico y un teclado a cada uno de ellos.Lo que he escrito un pequeño tablero de instrumentos que le
Auto interruptor IR remote controlada

Auto interruptor IR remote controlada

Hola, una idea vino a mi mente a control LED/relés conectados al Arduino al instante con cualquier mando a distancia disponible. ¿Cómo se utiliza esto es solamente hasta su imaginación y lo que es el convertir de este proyecto? No necesitas modificar
Centralmente controlada marco de Fotos Digital

Centralmente controlada marco de Fotos Digital

bien, por lo que sé ya hay toneladas de marco de foto digital Instructables por ahí. Por favor, tenga conme como explico por qué éste es diferente.Estas son las características que hacen que mi marco bastante única de otros marcos de DIY que he visto
Barrido remoto controlado el montaje de cámara

Barrido remoto controlado el montaje de cámara

Este montaje de cámara le permite controlar a distancia y girarlo 180 grados. Utilizaré una GoPro en mi proyecto, pero se puede utilizar casi cualquier cámara que puede asegurar al Monte.También en este instructable aprenderemos cómo controlar un ser
Cable de salida VGA.

Cable de salida VGA.

Realmente puede interfaz bastantes piezas de equipo al puerto vga. Monitores analógicos VGA ahora son bastante estándar, pero no era siempre el caso. Para ahorrar dinero, la gente haría sus propios cables de adaptador para conectar marcas competidora
Sistema de control de vigilancia de cámara

Sistema de control de vigilancia de cámara

En este Instructables voy a mostrar cómo convertir tu cámara IP estática en movimiento de la cámara IP, usted puede controlar el movimiento de la cámara y live streaming de vídeo a la vez desde tu Android. En realidad este proyecto fue mi proyecto fi
Hackear una WiFi Pan-Tilt cámara $30 - control de Video, Audio y Motor con Python

Hackear una WiFi Pan-Tilt cámara $30 - control de Video, Audio y Motor con Python

En este Instructable, usted aprenderá cómo interceptar los video, micrófono y controles de lo $30 Kaicong SIP1602 inalámbrica pan-tilt cámara en Windows, Linux o OSX! Todo se enrolla cuidadosamente en secuencias de comandos de python; puede utilizar
Cámara simple timelapse con Raspberry Pi y una lata de café

Cámara simple timelapse con Raspberry Pi y una lata de café

y desarrollo BerryCam pensé que sería genial crear una cámara de lapso de tiempo que podría ser dejada a la intemperie durante un período de tiempo, para capturar una secuencia de imágenes que podrían ser más adelante se unieron en un clip de vídeo.
Montaje de la cámara del smartphone y correa para el cuello

Montaje de la cámara del smartphone y correa para el cuello

Yo he estado buscando un soporte de cámara para mi smartphone durante algún tiempo y no has sido feliz con cualquiera de los comerciales, incluso los he visto en Instructables, así que pensé que diseño mi propia utilizando materiales simples. Yo he e