Flores LED (2 / 7 paso)

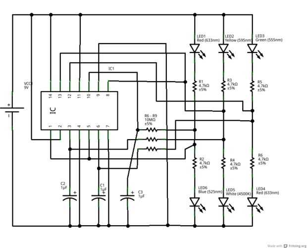
Paso 2: El circuito de la soldadura

Soldar el circuito siguiendo el esquema a un perfboard. En lugar de soldar los LEDs, utilizar partes de la regleta de enchufe donde puede pegar las flores más tarde.

Artículos Relacionados

Postal de flores LED para niños.

Postal de flores LED para niños.

Este proyecto es una gran oportunidad para introducir a los niños en electrónica! Construir tu propia postal de flor LED.Se necesita:un LED - utilizo un clásico 5mm unocinta - de cobre mina es 5mm de anchouna batería de 3V la monedaun alfiler, tijera
Flores LED simple

Flores LED simple

Hola y por favor disfrutar mi increíblemente fáciles de hacer flores de LED. Se me ocurrió la idea de las flores debido a la graduación de mis hermanitas. Ella quería algo un poco más que una flor regular para su vestido de graduación. Flores LED son
Broche flor LED portátil

Broche flor LED portátil

Este proyecto fue creado para de YuKonstructla Primera noche de construir.YuKonstruct es el primer makerspace en norte de Canadá. Nuestra misión es facilitar el acceso al espacio compartido, herramientas de calidad, conocimientos disponibles y un ent
Encantadoras flores LED

Encantadoras flores LED

Oh! Precioso!¿No es el pensamiento que aparece en su cabeza a una idea de esas flores místicas?¿Quieres tenerlos también?Quédate conmigo y aprender a hacerlos. Limpio y agradable.Paso 1: Conseguir las piezas! Aquí es lo que debe-1 > decenas de LEDs!
Guante flor LED

Guante flor LED

Fabricante : DeepakUbicación : Makerspace Banjaraplya E4DHice esta flor gloving LED en Banjaraplya E4D fabricantes ritmo.Material:LEDCables depapelPilas y portapilasInterruptorHerramientasCinta eléctricaDe la soldaduraPaso 1: Hacer la florHacer la fl
Sal powered flor LED

Sal powered flor LED

muy fáciles de hacermi primer instructivo:)Paso 1: Piezas necesarias:-papel de aluminio-placas de cobre pequeñas-tejido de papel-paja de plástico-1 LED de 5 mm, 3, 5V-lirio de origami - http://www.origami-instructions.com/origami-lily.html-los cables
Flores LED adolescente @ la biblioteca

Flores LED adolescente @ la biblioteca

Otro adolescente Try-It @ la biblioteca, seguir las instrucciones aquí: Una de las chicas incluso había averiguado un interruptor de hoja fresca y mostró a todo el mundo. Obtenemos la caída de 'hacer' - gracias Instructables.
Luz negra UV LED flor corona

Luz negra UV LED flor corona

Sí, son luces negras en una diadema.Estas coronas de flores LED UV hará cualquier accesorios de luz negra que es usar resplandor!También trabajan mucho con la pintura de luz negra cuerpo reactiva.(Adicionales luces negras fueron utilizadas para realz
Flor de papel con LED y cinta conductora

Flor de papel con LED y cinta conductora

¿Qué podría ser más dulce que una luz encima de flor LED? Hacer tu propio con Brown perro Gadgetskit cinta conductora.Paso 1: Herramientas y materiales Para hacer la flor LED necesita lo siguiente:HerramientasTijeras o x-acto cuchilloPalo de cinta o
LED flor de papel

LED flor de papel

una flor de papel simple con el centro de LED.  Esta flor solo se puede duplicar para hacer un ramo entero de flores LED!Paso 1: materiales he usado cosas que encontré en mi taller.  Nada demasiado extravagante, como sólo estaba tratando de probar el
Hacer que un LED de flor

Hacer que un LED de flor

una flor que se ilumina cuando se ponen en el suelo. También viene a la vida cuando se ponen en agua, o sólo sujete ambos extremos desnudos del "tallo". Por lo que los leds se convierten en flor LED, por así decirlo. Y si los leds eran el poder,
Flor de LED digital

Flor de LED digital

La flor LED digital utiliza dos tapones de botella de agua para un disco, con 8 pedales de LEDs, los pedales son frascos de vidrio con LED envuelto en malla de alambre y un botón situado en el centro del disco de la flor, que cambia las secuencias de
Luz flores corona diademas para verano música festivales, bodas, ocasiones especiales

Luz flores corona diademas para verano música festivales, bodas, ocasiones especiales

Luz de la noche con una hermosa diadema floral de LED!Perfecto para cualquier bodas, festivales de música, bailes, disfraces y ocasiones especiales!Kits con todo lo necesario para hacer tu propia luz para arriba la venda ahora están disponibles en la
Lámpara DIY - flores flor llevó (controlados con Arduino)

Lámpara DIY - flores flor llevó (controlados con Arduino)

este es un paso a paso de como hice las flores de Flower de LED. Hice 30 de estos para crear una lámpara de araña.Este fue un taller en El borde en Brisbane que es parte de la biblioteca del estado de Queensland.Puede encender las luces de una baterí