Flat Pack alarma (3 / 4 paso)

Paso 3: circuito

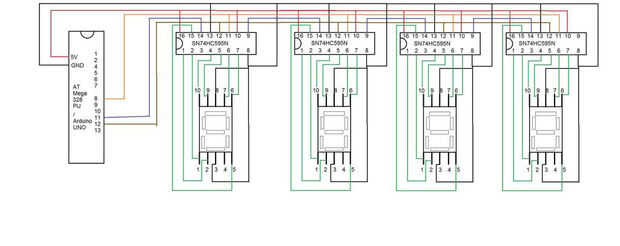
En primer lugar, cambio de registros son útiles porque nos dan salidas adicionales en la placa Arduino.

Vamos a encadenar el cambio de registros; Esto significa que conectar 2 a 1, la 3 º a 2 º y el 4 al 3.

Me stronly recomienda probar primero en un protoboard si no está tan familiarizado con los registros de cambio.

Enlaces que te ayudará:

http://PDF1.alldatasheet.com/datasheet-PDF/View/27...

https://www.Arduino.CC/en/Tutorial/ShiftOut

Artículos Relacionados

Árbol de Navidad de Flat Pack

Árbol de Navidad de Flat Pack

cada año, los americanos ir salvajes para la Navidad. Comienza justo después de Halloween, como las estaciones de radio cambiar a villancicos y clásicos, y entonces se convierte en un centro comercial frenesí el día después de acción de gracias. Segú
Colosal cartón cámara-Flat Pack construcción

Colosal cartón cámara-Flat Pack construcción

los estudiantes de primer año en mi escuela crearon una línea de trajes con temática marina de cartón reciclado con construcción ranurado para el montaje. Los trajes eran a la medida de los niños de la escuela secundaria en Halloween y tuvo que ser d
Flat Pack Trestle Table

Flat Pack Trestle Table

Actualmente estoy estudiando diseño. He sido carpintería y elaboración de un par de años. ¿Empezó como un hobby, aunque siempre lo creo? Pronto descubrí que hacer las cosas era algo que era extremadamente apasionado. Mi objetivo es invocar el pensami
Flat Pack Cool Box

Flat Pack Cool Box

Hola a todos,Y gracias por hacer clic en mi instructable de mi nevera de paquete plano.Espero que todo está claro y usted puede hacer su propia caja de paquete plano fresco después se desplazan cierto mis pasos.Soy un estudiante de HOWEST en Bélgica
Flat Pack Farm Stand

Flat Pack Farm Stand

Este proyecto de un stand de la granja en el sur de California proviene de un charette una semana que nos permitió comenzar a experimentar con las posibilidades del metal de hoja en el ámbito arquitectónico. Nuestro proyecto busca crear un edificio f
Flat Pack plataforma

Flat Pack plataforma

Me siento más feliz cuando utilizo materiales reclamados para mis proyectos. La madera que utilicé aquí vino de un viejo marco de madera de la cama. Las piernas vinieron de un viejo colchón. Un poco de grasa del codo es necesario cuando se le indica
Flat Pack bicicleta casco

Flat Pack bicicleta casco

Soy estudiante en la High School secundaria de Flandes del oeste (HOWEST). Estudio diseño de producto industrial y para uno de nuestros proyectos tenemos que hacer un producto embalado plano. Las condiciones impuestas a nuestro producto embalado plan
Flat pack explosivo (mecha)

Flat pack explosivo (mecha)

es un pequeño paquete plano eléctricamente accionado explosivo. Comúnmente llamado una "squib", es de uso frecuente en la etapa y la película para activar varios efectos especiales.ADVERTENCIAS: ***ESTE INSTRUCTABLE INVOLUCRA MATERIALES PELIGROS
Flat Pack avión

Flat Pack avión

Este Instructable es en la fabricación de los aviones de planeador paquete plano de mi juventud.Cuando era un niño tengo un cuarto para mi asignación todos los sábados. Quisiera tener mi cuarto y caminar a la tienda de la esquina y comprar una Coca-C
Flat Pack Tablet soporte

Flat Pack Tablet soporte

hoy voy a mostrar cómo hacer una tableta de paquete plano. Fácilmente desmontado y almacenado. Cuando es aparte, es único 3/8" de espesor por lo que puede ser almacenado en lugares pequeños fácilmente. Todo lo que necesitas es algunos madera gruesa d
Flat Pack colgante estante de "Libro"

Flat Pack colgante estante de "Libro"

rápido y fácil colgar la estantería para la decoración casera y organización. Bono cuando no en uso paquete plano y simplemente almacenar en otra estantería.Paso 1: Materiales y herramientas Materiales-Molle (yo usé 2 piezas de 10ft)-Anillo de metal
Flat Pack cartón pulpo

Flat Pack cartón pulpo

el propósito de este traje es para un proyecto escolar. La idea principal es crear un traje temática marina usando solamente cartón y paquete de planos de construcción. Los trajes son cualquiera de los dos va a ser usado para Halloween o una obra esc
Flat Pack Mini Ping Pong mesa

Flat Pack Mini Ping Pong mesa

Este es un proyecto de escuela pequeña. Aquí podríamos elegir un objeto a nuestro gusto siempre y cuando no se trata de una pieza de mobiliario, arte o una lámpara. Apesar de una mesa de ping pong es un poco un pedazo de muebles, todavía me permitió
Flat Pack madera iPad soporte

Flat Pack madera iPad soporte

el producto terminado (arriba)La necesidad de un rápido y sucio iPad stand hecho estallar para arriba, así que tomó un par piezas de desecho Plyboo y gritó algo hacia arriba.TechShop en Menlo Park (www.TechShop.com) tiene una gran cantidad de herrami