Fácil estoy transmisor! (3 / 7 paso)

Paso 3: esquema!!


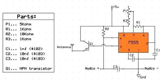
== Ahora que tenemos todos los componentes listos, permite poner esto junto! ==

Propongo construir esto primero en un protoboard.
Si no tienes un protoboard, usted está definitivamente perdiendo!
Si tienes alguna pregunta... ¡ PREGUNTE!

P.D. no olviden suscribirse!       : )

Artículos Relacionados

Superficie antideslizante Gamepad Thumbsticks, transmisor de RC estilo.

Superficie antideslizante Gamepad Thumbsticks, transmisor de RC estilo.

Como cualquier jugador sabe, gamepad thumbsticks puede llegar a ser bastante resbaladizo, incluso a poca distancia en una sesión de juegos de azar. Claro, están recubierto de goma, con textura, y algunas tienen un baño en la parte superior, pero nada
555 soy transmisor de

555 soy transmisor de

esto es una muy simple fácil hacer transmisor si no quiere usar condensadores o inductores y no importa no tener potencia extrema. La mejor parte es everythinf que necesita construir está en Radio Shack.Paso 1: Construir el circuito Una vez que tenga
Olímpico Cross-Stitches inspirado

Olímpico Cross-Stitches inspirado

he aprendido a coser de mi abuela cuando tenía 6 años de edad y que he hecho un montón de cruz puntada obras hasta ahora.Me parecía raro a mí que no he publicado ninguna cruz puntada ibles todavía. He estado buscando inspiraciones empezar con la punt
Camuflado mapa dinero billetera

Camuflado mapa dinero billetera

nadie nunca te taza para su mapa turístico local! Así que por qué no lo utilizan como una carpeta de copia de seguridad encubierta para guardar tus tarjetas y en efectivo!Este instructable es muy fácil; Estoy haciendo mina on-the-go con solo mis mano
Invasores del espacio brillante

Invasores del espacio brillante

Estarcir el resplandor en el oscuro space invaders.Estos son freaking awesome.Pasar de correr por algún resplandor en el oscuro gel en walmart y me dio la idea de hacer estos.No tengo ninguna foto de mí hacer las plantillas, pero encontré que estos i
Simple Arduino PIR Motion Detector módulo Demo

Simple Arduino PIR Motion Detector módulo Demo

Sé que hay un montón de Instructables y tutoriales sobre esto. Mi objetivo es simplificar todo lo hasta los huesos desnudo mínimos necesario para que un principiante (como yo) puedan obtener su funcionamiento antes de frustrarse y abandonar.Para que
Evacuación de emergencia para mascotas Pack

Evacuación de emergencia para mascotas Pack

A pesar de la foto de la portada divertida, se trata de un grave Ible. ¿Me he dado cuenta que The Walking Dead raramente muestra animales domésticos, probablemente porque las respuestas a las preguntas "Dónde dirigiría? Lo que les sucedió?"es má
Lo hacemos de ella: una escultura cinética de arte luz

Lo hacemos de ella: una escultura cinética de arte luz

Este Instructable es un resumen de mi proyecto, llamado "Lo que de hacerlo", que he creado durante mi residencia en muelle 9.Lo que usted hace de que es una instalación de arte cinético que utiliza la luz y los espejos para mostrar poesía genera
MyLittlePwny - hacer un cuadro de pentesting con uno mismo de la frambuesa Pi para todo $100

MyLittlePwny - hacer un cuadro de pentesting con uno mismo de la frambuesa Pi para todo $100

MyLittlePwny es una $100 portátil inalámbrico pen-testing gota caja con PwnPi o Ha-pi (no probados).  Es costo eficiente, modular, fácil de armar y, a diferencia de PDAs y smartphones, el hardware es totalmente extensible.EDICIÓN autor: Se pidió que
Una lámpara, varios tonos! (fácilmente cambiables)

Una lámpara, varios tonos! (fácilmente cambiables)

Puede hacer cualquier cosa fuera de cartón! Si se inicia el listado les no llegan a su fin. Cartón se han convertido en muy popular en la elaboración de pantallas, así que pensé le daría una oportunidad. Siempre intentar cosas simples artesanales y f
Las etiquetas de maquinillas de afeitar desechables de la planta

Las etiquetas de maquinillas de afeitar desechables de la planta

Este es un proyecto rápido y sencillo donde pueden ayudar los niños aún pequeños - rasuradoras desechables torneado en las etiquetas de la planta.Particularmente no me gustan las maquinillas de afeitar desechables. No me gusta nada que se hace del pl
Juguete de marcador LED de béisbol de los niños

Juguete de marcador LED de béisbol de los niños

Yo buscaba para hacer un regalo para niño de un amigo que tiene 15 meses de edad y me inspiré por caja de interruptor de luz de juguete de Ben Finio'sChild. Inicialmente, probablemente jugará con los interruptores de luz, pero mi amigo es un fanático
¿Campana de notificación de correo electrónico

¿Campana de notificación de correo electrónico

deseo el equipo tenía todas las campanas y silbidos?  Se puede llegar al menos a medio camino con este proyecto, una campana con USB y - controlada que puede ser utilizada para la notificación por correo electrónico o una manera de otras cosas que re
Mini generador Solar (el Grizzy Cub 90)

Mini generador Solar (el Grizzy Cub 90)

aquí está mi Instructable paso a paso sobre cómo hice mi mini generador solar. Hice este porque va a ser más compacto que cargar en mi más grande uno que pesa alrededor de 27kg (60 libras). Ésta será menos de 3kg así que por supuesto no poder mini ne