Paso 9: El puente de H



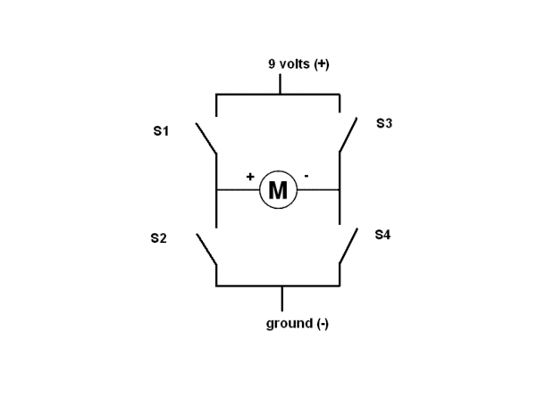
Ahora mira la segunda foto.
Si cierras los interruptores S1 y S4, corriente fluirá a través del motor y se convertirá en una dirección.
Si cierras los interruptores S3 y S2, corriente fluirá a través del motor y se convertirá en la dirección opuesta.
El puente H es un circuito muy simple. Por desgracia no sería práctico utilizar Interruptores manuales para un motor de accionamiento. Varias compañías hacen puente en H los circuitos integrados (ICs) que son fáciles de usar, simplemente aplicando energía a un pin determinado también llamado "ajuste el perno alto" para conducir el motor en una dirección. El poder de corte a eso perno y aplicar energía a otro pin conducirá el motor en la dirección opuesta. Los circuitos dentro del ICs puente H es un poco complicado, por lo que la mayoría de la gente se decide utilizar un puente H IC en vez de construir el circuito se.
La tercera imagen es el Snap circuitos Control Motor IC, o puente en H. En la parte superior de la figura se puede ver el esquema electrónico del bloque de Control del Motor. En la parte inferior izquierda puede ver una imagen del bloque. El centro inferior se muestra que la función de cada complemento para el bloque y en la parte inferior derecha está una descripción de cada complemento lo que hace.