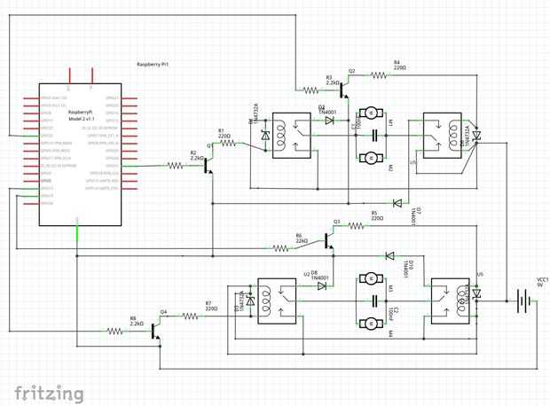
Paso 4: Configuración de la electrónica






La configuración electrónica original fue compuesta de un PCB y 6 motores de corriente continua simple. Sin servos ni interruptores de límite en la pluma o el brazo, así que no forzarlos demasiado.
Para el RPi de la energía vamos a usar una externa usb batería de 10Ah.
Para alimentar los motores usaremos un plomo de 12v 7Ah batería, con un paso hacia abajo módulo dc-dc 9, 6v.
Cada rueda tiene su propio motor de corriente continua. El sistema de manejo es bastante sencillo. Como un vehículo oruga.
- Para ir hacia adelante, todas las ruedas giran hacia adelante.
- Para ir hacia atrás, las ruedas giran al revés.
- Para ir a la derecha. las dos ruedas izquierdas vuelta hacia adelante y las dos ruedas derecha vuelta al revés.
- Para ir a la izquierda. las dos ruedas derecha vuelta hacia adelante y las dos ruedas izquierdas vuelta hacia atrás.
He intentado salvaje tanto como sea posible de modo que serrar el circuito original, quitando las piezas rc.
Obtuve tres piezas del pcb, uno compuesto por 4 relés que controlan los 4 motores.
Las otras dos partes son típicos transistores H puentes, que controlan el auge y los motores del brazo de la pala.
El PCB fue aserrado literalmente muchas pistas conductoras fueron cortadas y tuvo que ser reconstruidos posteriormente soldar cables.
Esto requiere algunos conocimientos en la electrónica implicada, cierta habilidad y estar dispuesto a pasar algún tiempo.
Cualquier error, una conexión errónea, cortocircuito... podría destruir su IPC una vez conectado.
En caso de que usted decide hacer esto, usted debe prueba completamente antes de conectar las piezas hackeadas de circuitos para el IPC.
Usted necesitará hacer extensas pruebas con un multímetro y simular las señales de RPi con una batería de 3v.
Tal vez la forma más simple, más segura y sencilla de controlar los motores utiliza 2 sistemas de 4 módulos de relé.
Son baratos y seguro de usar como la mayoría de los ellos son opto-aislado.
* No reviso (todavía) el circuito se bosqueja en el pic, así que revisarlas, si va a construir cualquier cosa con ellos.