Paso 2: Hardware


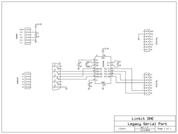
Linkit para comunicarse con la pantalla y lectores todo que usted necesita es un desplazador de nivel RS-232. Usé el Max232 ubicua y había montado en un tablero de proto shield.
Hay un montón de espacio para colocar el micro pic que he añadido a la tarjeta de lector Magtek. Incluso podría cambiar el código para utilizar pernos de la entrada-salida Digital un Linkit para conducir directamente las luces y SSR. Sólo necesita un pequeño transistor array chip como un ULN2003. Esto eliminaría la necesidad de la foto en conjunto pero me gusta tener los conductores aislados en una parte separada del recinto. Esto mantiene HV de Linkit uno.