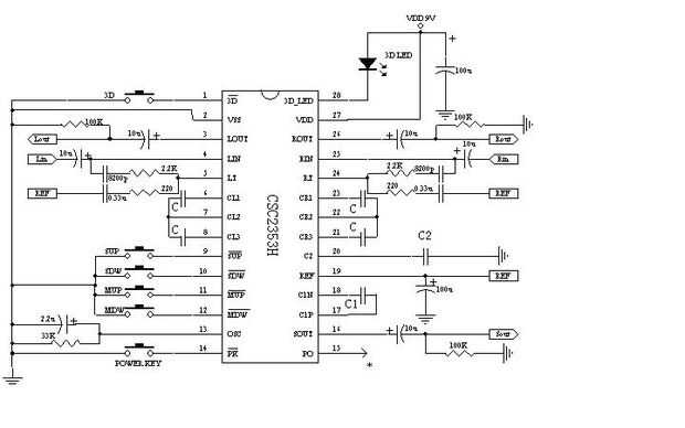
Paso 2: Construir el circuito tal como se indica en el diagrama




voltaje de referencia es 1/2 de vcc que puede obtenerse usando dos devider potencial de resistencia
montar el teclado en tablero perforado separado por lo que se puede montar por separado
también puede Agregar un circuito regulador de voltaje si fuente de alimentación es superior a 12 voltios (9 voltios es recomented)
Perdóname por mi mala Inglés (no mi lengua materna)