Paso 1: electrónica












La plataforma utilizada para el desarrollo de la estación será un Arduino Mega 2560.
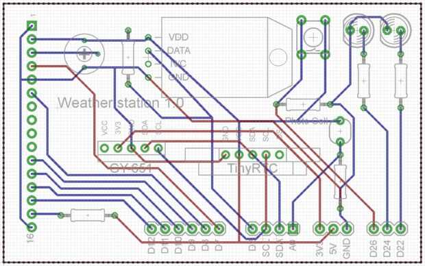
16 pernos diferentes se utilizará:
PIN 2: DHT22/AM2302
PIN 7: Pantalla LCD 16 x 2
PIN 8: Pantalla LCD 16 x 2
PIN 9: LCD 16 x 2
PIN 10: LCD 16 x 2
PIN 11: LCD 16 x 2
PIN 12: LCD 16 x 2
PIN A0: fotorresistor
PIN 20: (SDA - Arduino Mega pin 20) GY-651 + TinyRTC
PIN 21: (SCL - Arduino Mega pin 21) GY-651 + TinyRTC
PIN 22: LED verde
PIN 24: LED rojo
PIN 26: Buton
PIN GND: Todos los módulos
5V PIN: todos los módulos excepción GY-651
PIN 3V: GY-651
Acerca de módulos utilizados:
El módulo que recoge la temperatura y la humedad es un DHT22, las manijas de GY-651 la altitud, la presión y también la brújula
El brillo es recogido por un simple fotoresistor.
Hay dos LED que indicará el estado del circuito:
Led verde: todo va bien
Led rojo: algo está mal, compruebe su conexión de internet código
Al principio que he un prototipo en un simple breadboard, después viendo mi prototipo funcionando bien he decidido producir mi PCB para eliminar mi selva de cables.
He hice un diagrama con fritzing y Margriet con águila, todo se puede descargar en el siguiente paso.