Paso 2: Hardware



• RF receptor para sensores de Oregon Scientific y RTC
• RF receptor para Cresta sensores, sensor de temperatura barométrica RTC y BMP085
• Externos LM35 sensor de temperatura (a prueba de agua y medir la temperatura de la corriente en nuestro jardín) y monitor de la profundidad de corriente externos (no detallados aquí, pero utiliza un medidor de distancia por ultrasonidos I2C montado en un puente para evaluar la altura del arroyo – Curiosamente, la profundidad puede variar de 30cm a 150cm durante la lluvia pesada!).
Sin embargo debería funcionar cualquier combinación y código puede ser modificado para registro web servir según corresponda.
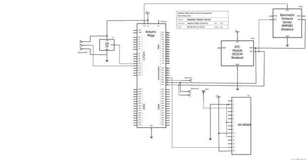
Esquema muestra los componentes en el escudo, como indico arriba, no toda necesidad de ser utilizado, pero existen si quería. No es el escudo de Ethernet también que simplemente se enchufa el MEGA.
Componentes que necesitarás:
1. Arduino MEGA 2560
2. Ethernet shield (tarjeta micro del SD)
3. RF 433MHz receptor (Aurel RX-4M50RR30SF utilizadas funciones de aquí)
4. antena
5. módulo de ruptura RTC DS3234
6. sensor de temperatura LM35 (hasta 2, opcional)
7. sensor de presión de BMP085 (opcional)
Para montar el Arduino y el 'escudo' en un gabinete estándar de Arduino, tuve que quitar dos de los tetones, pero éstos se desprendió fácilmente y no afectan el montaje seguro del hardware. Tenga en cuenta que en el PCB, el módulo receptor se encuentra en la parte inferior de la PCB (mucho espacio) para que la tarjeta de memoria todavía puede ser expulsada sin interferencia.
Utiliza una antena de látigo de 433MHz para hacer el dispositivo se vea más ordenado (no conectado en la foto, pero se muestra montado en la caja en la 2 º foto) – no responde mejor que mi antena de prueba – un trozo de alambre; pero se ve mucho mejor y más profesional!