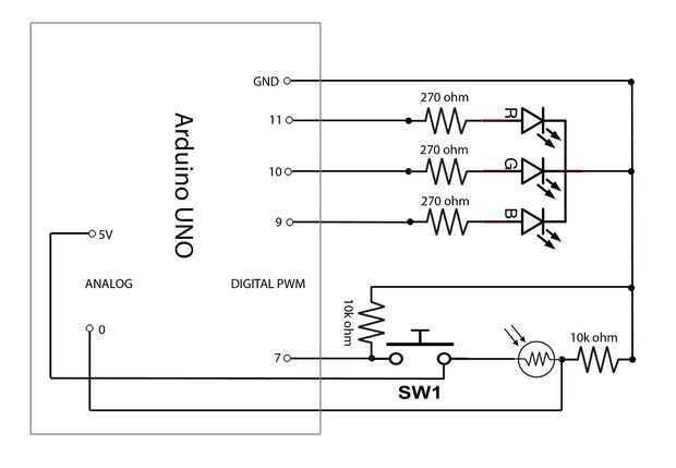
Paso 2: Diagrama del circuito esquemático

La construcción es extremadamente simple porque la longitud de onda de la luz visible se emite totalmente digital es controlado por el RGB led. Alterando la forma de valores de modulación ancho pulso que el UNO para el RGB led puede ofrecer los colores primarios rojos, verdes, azul y todos los colores intermedios. Traté de mantener el nivel de iluminación constante, haciendo la suma de todas las salidas RGB a un valor de 210.