Paso 3: Filtro de paso alto:





El nombre nos dicen que un filtro de paso alto que transmite sólo la alta sintonía.
La razón por qué esto funciona es que el voltaje en el condensador puedo de repente cambia. Podemos imaginar que el condensador de alta frecuencia significa un trozo recto de alambre (corto circuito). Condensadores DC real representan la pieza inferior de frecuencias dos de cable que no toque nunca que significa que tenemos un circuito abierto. Por esta razón no obtenemos la tensión en la salida.
Para calcular el filtro corte cargador señales ayuda a esta ecuación, que es el mismo como un filtro permeable, pero primero debemos calcular el filtro dos de segunda clase por separado y luego resume los resultados finales: la ecuación para el primer filtro de segunda clase es en la fotografía.
Resumen de los resultados individuales y dar la frecuencia de esquina de todo filtro: Fcorner(Hz) = Fcorner1(Hz) + Fcorner2(Hz)
Ganancia amplificador de inversión se puede calcular con la siguiente ecuación: Av = (1 + R16 / R15)
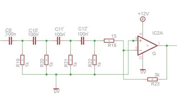
Para crear una cuarta clase pasiva invertir filtro de paso alto, que tienen en el amplificador final, tenemos la misma ecuación para calcular la frecuencia de la esquina, cambia sólo la ecuación para calcular la amplificación que es el siguiente: Av = - (R23 / R18)