Paso 1: Esquema y teoría de operación

Módulo del interruptor de alimentación principal (MPSM)
Consideraciones generales:
Para cargas resistivas ON-OFF solamente puestos de trabajo (no hay atenuación necesaria) una combinación ganadora está entre MOC304X para Triac driver (cero tensión cruzando uno) y una buena calidad Triac, decentemente tamaño por las necesidades de energía. Un 25A se cabe generalmente sobre todo de las necesidades de un proyecto nacional, con disipador de calor adecuado para poder disipation. Para la iluminación casera estándar, 8A es el 99% de las veces más que suficientes para un canal. Si tu casa es un castillo con arañas enormes, probablemente no:).
Elementos de semiconductor son los dispositivos semiconductores utilizados más comunes para control de energía y usos de la conmutación. Estos circuitos de control de energía pueden utilizarse para energía del interruptor remotamente a los dispositivos eléctricos o encienda automáticamente cuando parámetros tales como temperatura o intensidades de luz más allá del nivel preestablecido.
Clase BT1XX de NXP nunca decepcionado. Asegúrese de que son genuinos, de una fuente confiable. Sé, que mierda pasa en las cadenas de suministro hasta casas grandes de vez en cuando, pero como una buena práctica, es deseable una buena trazabilidad de los componentes.
Y no olvide: red en conmutación!!!!
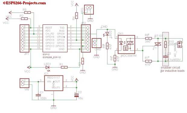
Un circuito típico para el uso cuando se requiere el cambio de línea:

En este circuito que se conecta el lado "caliente" de la línea y la carga conectan al lado frío o neutro. La carga puede conectarse a la línea caliente o neutral.
Este tipo de circuito de arriba es suficiente para cargas resitive solamente. Cuando un TRIAC controla cargas inductivas, la tensión y la corriente de carga no están en fase. Limitar la pendiente de la tensión de resignificados y asegurar el correcto apagado TRIAC, generalmente es utilizado un "circuito del tambor de frenaje" conectado en paralelo con el TRIAC. Este circuito puede utilizarse también para mejorar la inmunidad TRIAC a voltajes transitorios rápidos.

La resistencia de 100Ω y 0.01μF condensador para rechazo de lo triac y es a menudo, pero no siempre es necesario dependiendo del particular triac y la carga utilizada, generalmente para más inductivos.