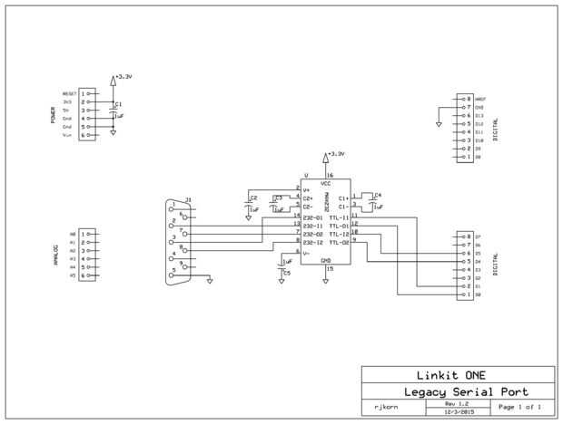
Escudo de puerto serie de Arduino para Linkit uno (1 / 3 paso)

Paso 1: esquema

Bastante Simple. Sólo tienes que seguir la hoja de datos y no te equivocarás. Lo ejecuto de los 3.3V línea y parece muy bien. De esa manera no necesito una palanca de cambios de nivel en los pines de datos. Si desea ejecutar de 5V probablemente debe agregar un resistor y 3.3V Zener en la línea de rx antes de llegar al pin digital Linkit un 0.

Artículos Relacionados

Comunicación serial - Arduino y Linkit uno

Comunicación serial - Arduino y Linkit uno

En este instructable voy mostrarle cómo establecer una comunicación serial entre arduino y Linkit uno. Esto ayudaría a hacer un proyecto más complejo con estas dos placas.Paso 1: componentesAquí está una lista de todos los componentes necesarios para
Registrador para puerto serie de Arduino más

Registrador para puerto serie de Arduino más

Yo soy poco cansado de utilizar la serie como logger - principalmente por dos razones: no es compatible con sintaxis de sprintf y cadena están detenidos en la memoria RAM. Por esta razón he implementado nueva biblioteca: https://github.com/maciejmikl
Sensores y comunicaciones serie de Arduino para principiantes de color

Sensores y comunicaciones serie de Arduino para principiantes de color

Hola todos, yo voy a hablar de sensores del color: Cómo construir y calibrar uno y cómo utilizarlo con comunicación serial a través de una placa de Arduino.El último paso, explica cómo utilicé este proyecto para un Gimp (está parado para el "Programa
Viruta de destello USB-puerto serie de Arduino sin DFU

Viruta de destello USB-puerto serie de Arduino sin DFU

Hola amigosAyer me llegaron dos arduino Duemilanove y de ONU Naciones Unidas ONU, el Duemilanove era un cambio de chip y volver a cargar el bootloader, pero el Arduino UNO ni siquiera era detectado por la PC pero seguía ejecutando el ultimo sketch de
LinkIt uno tutoriales - #1 Hola mundo

LinkIt uno tutoriales - #1 Hola mundo

La forma más básica de Hola mundo usando microcontroladores es un LED encendiendo y apagando.Sobre un lote de microcontroladores hay al menos un usuario LED controlable a bordo.Hay una serie de requisitos previos antes de que podemos convertir el LED
Conectar Arduino para abrir Marcos vía Bluetooth

Conectar Arduino para abrir Marcos vía Bluetooth

Este instructable cubrirá cómo conectar arduino BlueFruit de adafruit y luego establecer una línea de comunicación con OpenFrameworks. Con el propósito de esta guía sólo estamos utilizando un fotoresistor para mostrar cómo puede recibir información d
LinkIT uno a Arduino comunicación I2C

LinkIT uno a Arduino comunicación I2C

En los últimos instructable te mostré como crear a un monitor de voltaje utilizando el linkit uno y después de hacer un par de proyectos usando el tablero de Linkit uno que me di cuenta de que sería grande si podríamos hacer linkit uno con un arduino
Programación del puerto serie con NET

Programación del puerto serie con NET

Serial puertos proporcionan una manera fácil de comunicarse entre muchos tipos de hardware y su ordenador. Son relativamente fáciles de usar y son muy comunes entre periféricos y sobre todo DIY proyectos. Muchas plataformas como Arduino han construid
Comunicación serie de Arduino y Python - pantalla teclado

Comunicación serie de Arduino y Python - pantalla teclado

Este proyecto está hecho para usuarios de mac, pero también puede ser implementado para Linux y Windows, el único paso que debe ser diferente es la instalación.Paso 1: Instalación del SoftwareDescargar e instalar Arduino -> https://www.arduino.cc/en/
LinkIt uno – MCP23017 I2C expansor de puerto

LinkIt uno – MCP23017 I2C expansor de puerto

El chip del MCP23017 es un expansor de entrada y salido, que utiliza el protocolo de comunicación I2C. Puede conectarlo a su LinkIt uno mediante dos clavijas sólo (SDA, SLC) y obtener 16 puertos digitales de la entrada-salida. Además, usted puede con
El puerto serie - software de configuración

El puerto serie - software de configuración

si están tratando de controlar algo en el mundo real usando su computadora, el puerto serie es quizás el medio más fácil de comunicación. Voy a pie a través del proceso de creación de un puerto serie y el hyperterminal en un ordenador con windows XP.
LinkIt uno Ultimate IoT

LinkIt uno Ultimate IoT

Si siempre han sido a los Emiratos Árabes Unidos en el verano, probablemente sabrás sobre el calor allí. Pero cuando estás dentro, en tu casa o habitación, y el acondicionador de aire está encendido, no se siente el calor en todos.Ahora imagina que t
Luz de noche automática de Linkit uno

Luz de noche automática de Linkit uno

¡ Hola todos! En este instructable, les mostraré cómo hacer una luz de noche automática que se enciende al entrar de la cama. Este proyecto utiliza un sensor de movimiento PIR que detecta luz infrarroja, que a su vez, puede detectar el movimiento de
Contador de objeto digital con interfaz de LDR de Mediatek LinkIt uno

Contador de objeto digital con interfaz de LDR de Mediatek LinkIt uno

En este Instructable, usted será capaz a Mediatek Linkit una tarjeta de interfaz con LDR y contador Digital de objeto que puede contar objetos hasta 9999.Paso 1: requisitos PCB placa de propósito generalCD 4 Johnson 4026 contador de década.4 común cá