Escudo de programador AVR (9 / 9 paso)

Paso 9: Paso 9: nada que ver - sólo el circuito y el archivo Fritzing

Artículos Relacionados

Programador AVR ISP

Programador AVR ISP

hacer tu propia placa de Arduino DIY es interesante y desafiante diversión. La complicación mayor es siempre la quema del gestor de arranque. Este tipo de "Catch 22:http://en.wikipedia.org/wiki/Catch-22 _(logic)" hechos - no puede programar la p
Más simple programador AVR paralelo de puerto

Más simple programador AVR paralelo de puerto

Hola, este es mi primer instructables, que es programador avr. Este es el circuito más simple con el que AVR (Atmega, Attiny serie AT90S, serie de) microcontroladores pueden ser programados. Hay un montón de programadores disponibles, pero se trata d
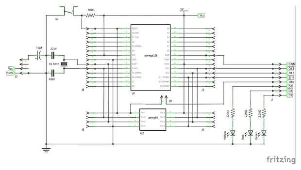
Todo en un programador AVR

Todo en un programador AVR

Hay mucha información sobre cómo cargar programas para Microcontroladores AVR, pero nunca he podido encontrar un lugar que tiene todo lo que necesito. Este es mi intento de crear un escudo de Arduino para programar ATtiny85, ATtiny84 y quemar el boot
Escudo de programador ATmega168 TQFP32 smd

Escudo de programador ATmega168 TQFP32 smd

Este escudo que he hecho para programar un ATMEGA168 con un paquete de TQFP32 sin soldadura.Paso 1: introducciónCon este escudo se puede programar un microcontrolador atmega168 (μC) con un paquete de TQPF32 sin soldadura. Solo Coloque el chip en la p
ATtiny DIY escudo ISP programador

ATtiny DIY escudo ISP programador

Escudo de ISP ATtiny hace programación AVR ATtiny Chips pelados fáciles y sencillos y también ayuda a reducir sus proyectos de arduino. ATtiny ISP Shield es una herramienta de programación utilizada para programa desnuda para8 pin IC como ATtiny13, A
Comunicación serie ATTiny con pequeño programador AVR

Comunicación serie ATTiny con pequeño programador AVR

ATTinies (como el 85 ATTiny) son super impresionantes! Son super baratos, baja potencia y lo hacen qué proyectos de Arduino más logran de todos modos (dar una simple salida o disfrutar de una entrada simple).Una dificultad puede ver rápidamente lo qu
Escudo de programación de Arduino AVR

Escudo de programación de Arduino AVR

Necesita una manera rápida y fácil programa AVR virutas. ¿Sabías que puedes usar el Arduino y el IDE de Arduino? Este escudo Arduino hace el proceso mucho más fácil.Puedes:Quemar un bootloader en un reemplazo Atmega328 para su UNO.Hacer un proyecto i
VUSBTiny AVR SPI programador

VUSBTiny AVR SPI programador

después de hacer un programador isp de usbtiny y usarlo durante 6 meses, estaba mirando uno otro para llevar alrededor. me gusta el simplicy del diseño usbtiny isp pero quisiera hacerla aún más pequeña y menos partes. una cosa en el diseño original q
Serie AVR ISP programador (enchufe y programa) sin necesidad de programar cualquier cosa.

Serie AVR ISP programador (enchufe y programa) sin necesidad de programar cualquier cosa.

HI! amigos quería grabar el bootloader en un chip avr pero no tengo ningún programador avr así que decidió hacer uno de mina. Este programador no necesita ningún tipo de driver a instalar, sólo conecte y programa utilizando el PONYPROG.CARACTERÍSTICA
Programación 'AtTiny85' con el 'pequeño programador de AVR' y suplido 'Arduino IDE'

Programación 'AtTiny85' con el 'pequeño programador de AVR' y suplido 'Arduino IDE'

Con pasador de 8 pequeños de Atmel AtTiny85 microcontrolador como un independiente es una gran alternativa al más grande pin 28 AtMega328 montada en una placa Arduino Uno. He cambiado de uno a otro por diversos medios, pero lo que me pareció más fáci
Controlador de matriz RGB Dual AVR

Controlador de matriz RGB Dual AVR

Un amigo mío tenía una gran idea para un proyecto impresionante. Quería crear un par de aparejos de servo que se imitan el movimiento de sus manos con un movimiento de salto. Encima de los servos sentarían algunos láseres por lo que podría crear algú
Un enfoque avanzado de programación de Arduino y AVR

Un enfoque avanzado de programación de Arduino y AVR

Este instructable es obligada lectura para todo aquel que esté familiarizado con núcleo AVR virutas y Arduino.Bien, para ser más específicos, al leer el instructivo, usted será capaz de:1) saber la diferencia correcta entre el AVR y Arduino.2) progra
Primeros pasos con ubuntu y el dragón AVR

Primeros pasos con ubuntu y el dragón AVR

esto es lo que hice para empezar a usar el dragón del AVR para programa ATMEGA8 microcontroladores usando ubuntu (esto está dirigido a principiantes, yo también estoy siendo un principiante, por lo que las mejoras de los usuarios más experimentados s
Programación AVR con Arduino como ISP sin gestor de arranque y cristal externo

Programación AVR con Arduino como ISP sin gestor de arranque y cristal externo

Hola!!. Soy Avra y este es mi primer instructable. Aquí voy a explicar cómo grabar códigos en independiente AVR ICs sin usar cualquier USBASP, cualquier cristal externo y cualquier gestor de arranque. Sólo necesitas una placa de Arduino. Puede ser or