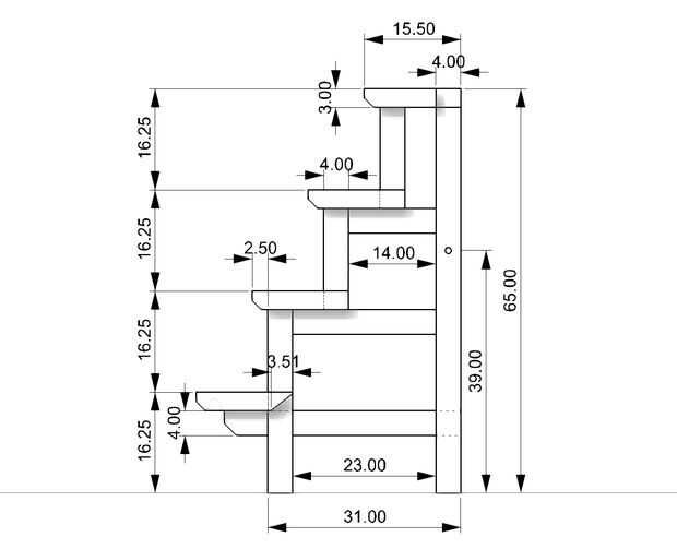
Escalera plegable de madera-cama (4 / 8 paso)

Paso 4: Unidad 1 dimensiones

Con estos tres planos puede determinar todas las medidas para construir usted mismo la primera mitad de la escalera.

El óvalo delgado que ves en la primera planta de paso es un surco en la cara inferior que actúa como manejar y te ayuda a subir la escalera. Las esquinas talladas recibirá las piernas de la parte superior del cuerpo en posición abierta y evitar que la escalera se cierra con el peso del cuerpo.

Artículos Relacionados

Plegable tijera madera

Plegable tijera madera

hice esta madera escalera partiendo de algunos planes encontrado en Internet.No seguir muy de cerca los planes (mis tornillos y dimensiones eran diferentes) - sólo usé la disposición general de la escalera de tijera como guía.Este fue el primer proye
Marco plegable de la cama

Marco plegable de la cama

se movió fuera de la escuela este año y tuvo que amueblar mi piso nuevo. Sobre todo, justo necesitaba un marco de cama adecuada.Viendo como va a mover bastante regularmente para los próximos años (para empezar en mi carrera y mejoramiento en los espa
Escalera plegable de cartón

Escalera plegable de cartón

este instructable explica cómo construir su propia escalera de cartón plegableVer más enPaso 1: Materiales:Utilicé un cartón con densidad ≈ 300 g / m²1 - 4 piezas de cartulina con el tamaño: 150 cm x 15 cm cada uno (rieles).2 - 8 piezas de cartón con
Vaso plegable de madera

Vaso plegable de madera

Mientras que la mochila siempre tengo una taza de collapsilble conmigo. Decidido a hacer mi propia de madera colocación alrededor.Se trata de un prototipo áspero 3" radio, 1 5/8" alta. Hace con una dremel. Lo más divertido fue hacer aditamentos
Gafas plegables de madera corte láser

Gafas plegables de madera corte láser

necesitan herramientas y materiales:-un cortador del laser CO²-madera contrachapada (3mm - 1/8")-la corriente instructablePara aquellos que tienen prisa (sí, sucede!:-):-descargar el proyecto en su formato preferido (EPS, AI, SVG, CorelDraw, PDF)-los
Mesa plegable de madera maciza

Mesa plegable de madera maciza

Hola a todos,Hemos hecho una mesa para nuestra cocina.El objetivo de hacer es preparar y servir comida.Es fácil de montar. Sólo necesita encontrar un buen aspecto de madera natural para arriba. Y no saltar para pulirlo (=He añadido el archivo dwg y r
MÁS nómada muebles: Un escritorio plegable

MÁS nómada muebles: Un escritorio plegable

como leer este Instructable: (A) Lea los títulos de introducción #1 y #2 Introducción. (B) seleccione #1 o #2 leer en su totalidad, dependiendo de las condiciones locales. (C) o ambos. (D) continúe con el paso 1.Introducción # 1 FOR lectores con luga
Acabado de una escalera de madera

Acabado de una escalera de madera

es una aventura en acabado mi escalera de madera dura, contada por un artista aficionado y propietario de la vivienda. Esto puede no ser como los profesionales lo haría, pero se hace por unos $150 en materiales y unos días de mi tiempo.Quebró un poco
Lámpara de escritorio hecho de silla de madera plegable reciclada con cráneo

Lámpara de escritorio hecho de silla de madera plegable reciclada con cráneo

Tutto è iniziato quando ho comprato un teschio di plastica en edicola un euro de 1-2. Mi piaceva vienen oggetto e costava poco. POI vidi con una bombilla dentro si illuminava con un certo effetto. Così decisi di farci una iglesia con un brazo un appe
Artesanías de papel bricolaje fácil: Cómo hacer Origami cama con ropa de cama

Artesanías de papel bricolaje fácil: Cómo hacer Origami cama con ropa de cama

Siempre he tenido una fascinación especial de hacer DIY fácil proyecto de manualidades de papel y a aprender que cómo hacer Origami cama con ropa de cama ha sido mi primer paso en la Avenida. Una nave de papel de Origami cama para casa de muñeca es u
Escalera de mano para la pintura

Escalera de mano para la pintura

mi esposa le gusta pintar. Cuando nos mudamos a nuestra primera casa, necesitaba una escalera que podría pisar mientras se carga de pintura. Fue entonces cuando algunas de las escaleras plegables con pasos ancho y un frente alta no estaban tan dispon
IKEA Hack! (sorta) Cabecera tapizada en el marco de la cama DALSELV

IKEA Hack! (sorta) Cabecera tapizada en el marco de la cama DALSELV

cuando Dave y yo compramos esta casa hace unos dos años, nos sorprendió que nuestra cama no cabe en nuestro 3er dormitorio de piso. Ser nuevos propietarios y así, se rompió como todos get out, fui a Ikea y comprar la cama más barata que pude encontra
Improvisado Zuecos de escalera (zuecos para escalera improvisados)

Improvisado Zuecos de escalera (zuecos para escalera improvisados)

NOTA: ESTA ES UNA SOLUCIÓN IMPROVISADA, DE 10 MINUTOS. Agregué esta aclaración luego de varios comentarios.Hace tiempo compré una de esas extraordinarias escaleras plegables en cuatro tramos. Es liviana, resistente, fácil de trasladar y de almacenar,
Cómo construir un bote de madera modelo

Cómo construir un bote de madera modelo

este instructable sirve como guía para construir un modelo a escala de la madera ligera diseñada por Bob Darr, de Spaulding Boatworks en Sausalito, California. Aunque el tamaño es más pequeño, este proceso incluye los mismos procesos para construir e