Épica de Arduino de té más (2 / 19 paso)

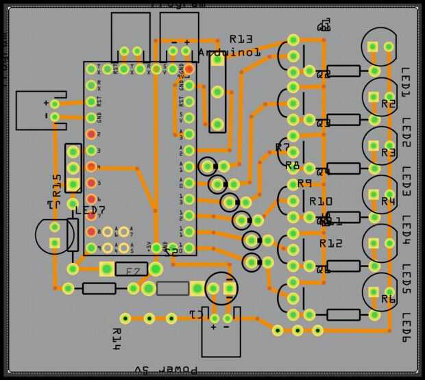
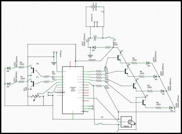
Paso 2: Diseño del circuito

Usé Fritzing para el diseño de mi circuito. He incluido el archivo Fritzing para el esquema y diagrama de aguafuerte. También puede encontrar mi código de Arduino conectado en la parte inferior de este Instructable. Fritzing es gratuito y se puede descargar aquí.

Artículos Relacionados

Ilumina la caja de lápices con Arduino

Ilumina la caja de lápices con Arduino

Encontré una caja de madera y pensó en lo que es un buen descanso para mis plumas. Creo que hay varios - métodos tal vez más fáciles y baratos de modificar esta cajita - pero yo sólo quería utilizar material que ya tenía en casa.VIDEOLINK• La caja de
Programar PIC con Arduino

Programar PIC con Arduino

Este es sólo otro "show and tell", pero una vez más, hay archivos gerber y así sucesivamente incluido.Este escudo de Arduino es una versión de PCB de un circuito diseñado por Rhys Weatherley. Cuando se utiliza conjuntamente con dos bosquejos de
Luz estroboscópica de Arduino

Luz estroboscópica de Arduino

Aquí está el tutorial Cómo construir estrobo utilizando Arduino.Paso 1: MarerialsSe necesita:-Arduino board,-Resistencia de Ohm 220,-LED,-2 potenciómetros,-Batería.Paso 2: construcción Todo lo que necesitas esta en la foto. También es mi circuito.Ust
DIY LED signo con el MAX7219 Dot Matrix STM8S003F3 módulo MCU para PIC AVR Arduino brazo de MSP430 STM32

DIY LED signo con el MAX7219 Dot Matrix STM8S003F3 módulo MCU para PIC AVR Arduino brazo de MSP430 STM32

para satisfacer a aficionados a los hobbys DIY electrónicas, ICStation ha desarrollado MAX7219 módulo de matriz de puntos. Utiliza el chip Max7219 que hacen un gran trabajo en el ahorro de I/O del MCU. Puede no sólo controlar cada punto individualmen
Lápices + Arduino = brillante!

Lápices + Arduino = brillante!

Demo de lámpara de arco poco fresco usando el grafito en los lápices y un Arduino para crear pulsos de CC.Este dispositivo de baja potencia es muy brillante!Paso 1: Comience con una lámpara de arco de carbono seguro, de bajo consumo. Ver el vídeo y l
Autenticación de la persona mediante detección de la cara por el PC y el microcontrolador (PIC, Arduino,...)

Autenticación de la persona mediante detección de la cara por el PC y el microcontrolador (PIC, Arduino,...)

En este video, he implementado la autenticación de la persona con detección de rostros y reconocimiento utilizando C# y Emgu (envoltura de OpenCV para. net) y microcontrolador PIC o Arduino conectado al puerto serie.Los tutoriales que me ayudan a hac
Programar tu Arduino con un dispositivo Android!

Programar tu Arduino con un dispositivo Android!

Hola,en este Instructable que quiero mostrarle, cómo puedes programar tu Arduino con tu dispositivo Android. Es muy simple y barato. También nos permite programar el Arduino donde siempre que queramos, esto es útil para instalación permanente placas
Montar un Arduino Nano / LCD proyectos plataforma

Montar un Arduino Nano / LCD proyectos plataforma

El "Arduino Nano / 1.8" TFT LCD proyectos plataforma "consiste en una caja impresa 3D que envuelve un PCB diseñado personalizado en el que está montado un Arduino Nano, un 1.8" TFT LCD con un lector de tarjetas SD y tres pulsadores que
CA Arduino atenuación circuito

CA Arduino atenuación circuito

gracias a los televidentes interesados, he aprendido que no es seguro y no debe REPETIRSE.ASÍ QUE POR FAVOR INTENTE ESTE :)GRACIAS A TODOS LOS QUE COMENTAMOS, HE APRENDIDO MUCHOYo no soy un ingeniero, un experimentador y hacker y prototyper etc, así
Interfaz gráfica de Internet para Arduino

Interfaz gráfica de Internet para Arduino

Esta nota de aplicación describe cómo implementar un tablero de instrumentos de temperatura web para Arduino Ethernet. Se pretende mostrar cómo el concepto de mapa de memoria funciona en la práctica y la manera en que puede ayudarle a mejorar sus pro
Activado por voz tomas (domótica)

Activado por voz tomas (domótica)

Pero otra voz había controlada por domótica!Como se muestra en la imagen, el sistema puede controlar cualquier aparato eléctrico, encender o apagar, que está conectado a la toma de corriente. El sistema lo hace mediante comandos de voz a medida. El s
Laberinto de Lazer

Laberinto de Lazer

El laberinto de Lazer era nuestro proceso y arduino powered evento en una fiesta de tecnología nivel de estado llamada ENIGMA. un monitor primero muestra "pulse iniciar" en el cual un video dando instrucciones sobre el laberinto. luego un botón
Pantalla de matriz de puntos LED

Pantalla de matriz de puntos LED

este es un simple cómo hacer su propia exhibición de LED de matriz de puntos personalizado. Iré añadiendo el programa completo con una explicación a la luz de los LEDs con. También es muy hackeable, que puede cambiarlo para que se adapte.Yo decieded
ESP8266 MPSM v.2 DevBoard - interruptor de red WIFI Web

ESP8266 MPSM v.2 DevBoard - interruptor de red WIFI Web

ADVERTENCIA!! Vas a jugar con la red en vivo!! Zona mortal!!!!Si no tienes ninguna experiencia y no están calificados para trabajar con corriente voy a ecourage no jugar cerca!No la utilice sin el conocimiento adecuado sobre circuitos de corriente.No