Paso 1: El circuito




El circuito es muy simple (se adjunta).
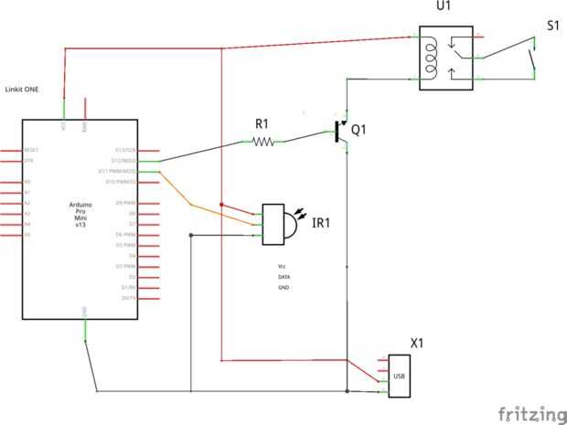
Como no pude encontrar el símbolo de la HX1838 en Fritzing he utilizado un simple LED IR como un marcador de posición. El pinout es el mismo pero utilice la Junta actual con las 2 resistencias para el HX1838 con pines Vcc, GND y en. EN pin va a D11 de Linkit.
El esquema muestra un relé de 5V simple controlado por un transistor NPN. Si usted decide que usted utilice un módulo de relé de 1 canal, no necesitas R1, Q1 y U1. Conectar D12 de Linkit a señal de entrada del relé.
Interruptor S1 es el interruptor actual de la placa base. Ver el pinout del manual de usuario de tu placa base y conectar los contactos del relé los contactos que van al botón de encendido de tu PC.
La Junta se conecta la alimentación de 5V utilizar uno de repuesto a bordo USB pin cabeceras para robar 5V. Asegúrese de que desde la BIOS que encienda a sigue siendo jefe del pin mientras la motherboad está apagado (S3 o lo que elijas dormir)