El trebuchet de la madera contrachapada (2 / 6 paso)

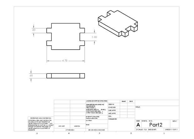
Paso 2: El conjunto de dibujo de SolidWorks

Cada parte y se dibujarán individualmente luego como esta. (Nota: el tubo que utilizamos serán tubos de PVC de dimensiones también se dará) Abajo debajo de usted puede utilizar nuestros archivos que hicimos. puede utilizarlos o cambiarlos para tratar de mejorar nuestro diseño.

Artículos Relacionados

Puedo calendario - de madera contrachapada (calendario educativo para niños)

Puedo calendario - de madera contrachapada (calendario educativo para niños)

Quería enseñar a mi hija de 6 años acerca de los días de la semana en una divertida forma. Así surgió la Idea de un calendario el she puede establecer en la fecha correcta por las mañanas y que donde la puedo calendario proviene.Paso 1: Dibujos de la
Cómo tallar madera contrachapada líquidos patrones

Cómo tallar madera contrachapada líquidos patrones

En este tutorial voy a serque muestra un método que he encontrado trabajos muy bien para tallar patrones de wave de relieve en madera contrachapada.¿Qué es un dibujo en relieve de la onda y por qué se quiere?Es un dibujo en relieve tallado en un mate
Modelo de Sistema Solar mecánico un Orrery de madera contrachapada

Modelo de Sistema Solar mecánico un Orrery de madera contrachapada

Este proyecto explora el uso de madera contrachapada para hacer mecánica, decorativos y piezas estructurales.Este instructable es sobre cómo construir un escritorio orrery. Un orrery es un modelo mecánico del movimiento y posición de los planetas de
Incluir tabla (experimentos en aluminio y madera contrachapada laminación)

Incluir tabla (experimentos en aluminio y madera contrachapada laminación)

La estela de mesa es la culminación de una serie de proyectos y experimentos en el CNC perfil corte, laminación, manipulación buena hoja y carpintería tradicional. El proyecto es el resultado de la economía y eficiencia de fabricación cnc, así como l
Mesa de Picnic de la plana-Pack de 1 hoja de madera contrachapada

Mesa de Picnic de la plana-Pack de 1 hoja de madera contrachapada

Vivimos a una cuadra de Greenlake en Seattle. En días agradables, si no una mesa de picnic de 10:30, entonces estás de suerte hasta que anochece. Nos encanta cargar la parrilla y picnics en el parque, pero sin una tabla, puede ser un poco duro en est
El Portal gigante de madera contrachapada (1½m a)

El Portal gigante de madera contrachapada (1½m a)

el objetivo, como parte de un cambio de habitación fue a hacer una entrada de círculo de madera grande a la cama, sirviendo con fines decorativos y funcionales, que sería también ocultar iluminación adicional para la sala.Paso 1: Preparación de Mater
ESTANTES de madera contrachapada SIMPLE

ESTANTES de madera contrachapada SIMPLE

Simple de estantes de madera contrachapada que ayuda a organizar nuestro lugar...Paso 1: Materiales necesarios 1. madera contrachapada de tamaño estándar de 4 pies X 8 pies o 48 pulgadas X 96 pulgadas2. de la sierra - usé Sierra de intercambio3. clav
Simple madera contrachapada enorme y 2 estante de madera

Simple madera contrachapada enorme y 2 estante de madera

me encanta estantes. Puedes leer mi ible estante loco si te gusta pero aquí es un diseño de plataforma inspirada en otro estante que hice. Se trata de un diseño más grande que los estantes anteriores he hecho y fue hecho para el nuevo edificio de gua
Base de prototipos de Robot multiusos madera contrachapada

Base de prototipos de Robot multiusos madera contrachapada

Por qué gastar tu dinero en robot confeccionado de metal o acrílico bases cuando se puede hacer uno usted mismo! sí, así que este instructable va a enseñar cómo hacer una plataforma base de madera contrachapada robot prototipo. Seguramente necesite c
Tomar diferentes en madera contrachapada rápida, barata y estantes de 2 x 4

Tomar diferentes en madera contrachapada rápida, barata y estantes de 2 x 4

Tengo un montón de cosas y por lo tanto necesito un montón de estantes para guardar todo si él. He construido en muchas formas diferentes. Este instructable es para almacenamiento a granel donde simplicidad, rápida construcción y bajo costo son los f
Banco modular de madera contrachapada

Banco modular de madera contrachapada

Hasta ahora sólo tenía una mesa de Ikea cartón hacer mis proyectos. Y se puede entender que esto no funciona bien para cosas como carpintería o colocarle una mordaza metálica grande. Fue por eso empecé la construcción de mi mesa de trabajo modular de
Caballetes de madera contrachapada de plegamiento

Caballetes de madera contrachapada de plegamiento

Parece haber miles de diferentes planes para caballetes por ahí, y parece que especialmente aman hacer que sean ridículamente firmes. Eso esta bien y todo, pero lo último que necesito en mi taller de menos que media un garaje es algunos caballetes ca
Madera contrachapada miel abeja enjambre cebo captura colmena y núcleo caja - doble propósito cómo DIY planes

Madera contrachapada miel abeja enjambre cebo captura colmena y núcleo caja - doble propósito cómo DIY planes

Captura de enjambres de abejas de miel tiene que ser uno de los eventos más emocionantes y fascinantes del año. Digo 'evento' tiende a ocurrir sobre todo en el mes de mayo en el Reino Unido. 2015, el año pasado nos cogió 9 tales enjambres y había aum
Madera contrachapada vertical bajo Kontrabass

Madera contrachapada vertical bajo Kontrabass

Holasoy un carpintero de 22 años de Berlín y en las siguientes páginas quiero mostrar cómo hice un bajo vertical de madera contrachapada y haya.Creo que no es necesario decirlo, pero hacerlo aunque: no conozco los hechos sobre el arte de la construcc