Paso 1: La electrónica...


La electrónica es muy simple.
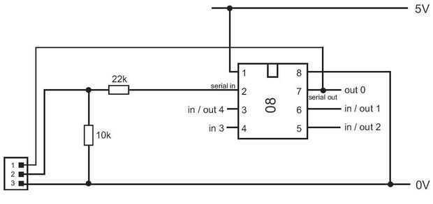
Necesita unas resistencias, un LDR y un chip de picaxe de 08 m. Como sigue los pasos
1) construir un circuito de descarga picaxe de habitación.
2) Añadir una entrada LDR cuircuit. Poner el LDR en una longitud de cable para que puedan alcanzar de su medidor de alimentación para ordenador.
3) si es necesario que el contador de gas se puede Agregar también, todo esto es una entrada, bien alta resistencia de 10 k a una de las entradas. El interruptor es un interruptor de láminas magnético.
Esta pasos anteriores son muy fáciles de hacer, para más información ver los manuales aquí,
http://www.Rev-Ed.co.uk/PICAXE/
Explica todo en mucho detalle y mucho mejor que puedo explicar aquí.
Si es necesario que el contador de gas se puede Agregar también, todo esto es un interruptor de entrada, bien alta resistencia de 10 k a una de las entradas.













