El Gizmo de Internet Arduino (1 / 22 paso)

Paso 1: Cómo funciona

El Gizmo de Internet Arduino consiste en un Arduino, un lector de tarjetas RFID, un montón de LEDs y otros componentes montados en un caso de fuente de poder de PC reciclado conectado a un PC como se muestra en el primer diagrama.  Arduino está ejecutando software que va a leer una tarjeta RFID cuando se coloca cerca del lector.  Cuando se lee una tarjeta, el Arduino hace los LEDs en la parte superior el gizmo luz en secuencia y aparecen a la raza alrededor en círculos. ID de la tarjeta RFID es enviada a la PC mediante un cable USB que conecta el Arduino y el PC.  En el PC, está ejecutando un programa Python en un bucle esperando datos de Arduino.  Cuando recibe la tarjeta de identificación RFID de Arduino, busca el ID de tarjeta RFID en una tabla para ver qué sitio web está asociado con esa tarjeta.  Si encuentra la tarjeta en la mesa, se abre una nueva pestaña en el navegador por defecto para el ordenador y carga el sitio web.  Si el ID de tarjeta RFID no está en la tabla, el programa de Python crea una página HTML sencilla con un mensaje de error y el ID de la tarjeta RFID y muestra la información en una nueva pestaña en el navegador (como se muestra en la tercera imagen).  Cuando se enciende el Arduino Internet Gizmo, ilumina un conjunto de color rojo, verde y azul LED para indicar que el cacharrito es operacional cambiantes.

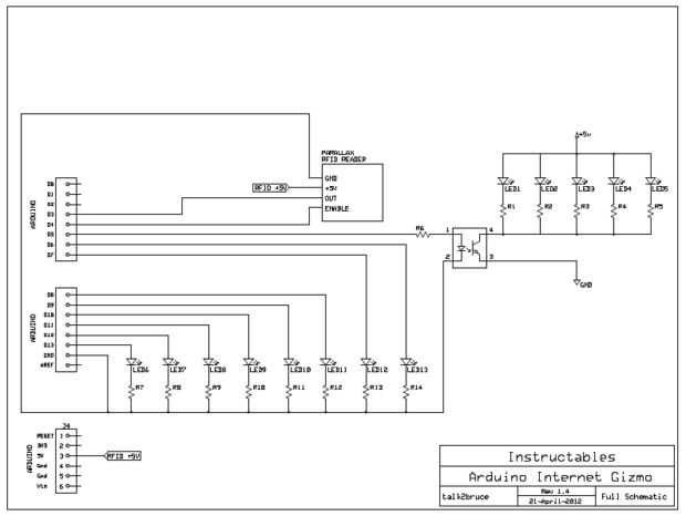
La segunda figura y el archivo PDF adjunto muestran el circuito esquemático para el Arduino Internet Gizmo.  El lector RFID se conecta los pines de Arduino 3 y 4.  El pin 3 se utiliza para el envío de que los datos de la tarjeta RFID para el Arduino y el pin 4 se utilizan para activar o desactivar la lectura.  Pines de Arduino 6-13 se utilizan para controlar la iluminación de los LEDs en la parte superior el gizmo.  Arduino pin 5 se utiliza para encender el color del LED rojo, verde y azul cambio de circuito.  Pin 5 se conecta a un optoacoplador que convierte el color cambiar LED del encendido y apagado.  Utiliza el circuito optoacoplador en lugar de conectar el color cambiar LED directamente a la Arduino porque el color que LEDs cambiantes dibujar diferentes cantidades de corriente y cambian de color con cinco de ellos, estaba seguro de qué efecto que tendría en el Arduino, así que sentí que era mejor usar el optoacoplador y el color que cambia LED independientemente de la energía.

Detalles sobre cómo se cubre el software funciona en el paso 20.

Puede encontrar más información sobre cómo funciona el lector de tarjetas RFID en la hoja de datos para el lector de tarjetas RFID serial Parallax.

Artículos Relacionados

Domótica inteligente con Android + Ethernet Internet + Arduino

Domótica inteligente con Android + Ethernet Internet + Arduino

Domótica se convierte cada vez más popular y asequible y fascina a la gente. Internet ofrece tales posibilidades como nunca antes. Impresiona a tus amigos mostrando el Smartphone que puede activar/desactivar la lámpara en sus millas Apartamento lejos
Internet Arduino controlado ranura en T XY mesa

Internet Arduino controlado ranura en T XY mesa

esto es ridículamente fácil (en términos de uso de la herramienta de poder - vea abajo) manera de hacer una precisión inferior tabla XY.  Con la amplia disponibilidad de la T-ranura extrusiones en Amazon y Ebay y utilizando simples mejoras para el ho
Cliente de tiempo de Internet Arduino

Cliente de tiempo de Internet Arduino

¡ ACTUALIZACIÓN! 15/11/2015Añadido un WiFi y opción de batería recargable (paso 10).¡ ACTUALIZACIÓN!Añadido 12h / 24h interruptor y estándar interruptor de horario de verano! Consulte los pasos 7 y 8.¿Ha querido alguna vez un reloj que mantiene la ho
Simple Internet Gizmo

Simple Internet Gizmo

recientemente he publicado un instructivo llamado "Arduino Internet Gizmo" que combina un lector de tarjetas RFID, un Arduino y un montón de LEDs y otros componentes para crear un dispositivo que utiliza tarjetas de RFID para mostrar páginas web
Reloj de tiempo de Arduino IoT

Reloj de tiempo de Arduino IoT

En este Instructable construimos un reloj que también se muestra dentro y fuera de las condiciones climáticas.Solía tener un reloj poco fresco que, además de contar el tiempo, también muestra la temperatura interior de la casa, la fecha y la temperat
Registro de salida de Arduino para días con un BeagleBone

Registro de salida de Arduino para días con un BeagleBone

Aquí es un hack rápido para la depuración de proyectos de Internet de las cosasVamos a decir usted construido un bonito, conectados a Internet Arduino proyecto con una elegante interfaz Web servida por, por ejemplo, el escudo de la Ethernet. Después
Internet: Conexión de la RPi, Arduino y el mundo!

Internet: Conexión de la RPi, Arduino y el mundo!

(Si te gusta este Instructable, no olvide votar en ella (por encima de: bandera de la esquina a la derecha). está compitiendo en concursos de sensores y de INTERNET de las cosas. ¡Muchas gracias! ;-)En este proyecto, programará un RPi y un Arduino, a
Cómo: conectar tu Arduino a Internet como un servidor de Web

Cómo: conectar tu Arduino a Internet como un servidor de Web

El INTERNET de las cosas... < cola de relámpago y trueno >Es lo que todos los niños frío están haciendo estos días. ¿Por qué debe tener toda la diversión? Vamos a configurar un Arduino como un servidor Web cualquiera, en cualquier lugar puede ver. ¿
Añadir Bluetooth 4.0 para su proyecto de Arduino [Internet] - controlada por Smartphone

Añadir Bluetooth 4.0 para su proyecto de Arduino [Internet] - controlada por Smartphone

Somos Grupo de internet de entusiastas de las cosas que amo hacking juntos diferentes dispositivos. Compruebe hacia fuera nuestro actual proyecto en nuestro sitio web y echa un vistazo a esta guía en un formato diferente en nuestro blog.Paso 1: intro
Lámpara de escritorio controlado de Arduino Internet

Lámpara de escritorio controlado de Arduino Internet

este es un pequeño proyecto que hice para mi lámpara de mesa de control por internet.Paso 1: Lo que necesitaráUn linux-servidor web con PHP, un arduino, un relé y algunos otros componentes.Paso 2: Añadir el código para el arduinoSubir el siguiente có
Acceso a Arduino por internet

Acceso a Arduino por internet

Este instructable es sólo otro intento de conectar tu arduino a internet. Hay tantos instructables similares que decirle cómo hacer lo mismo, esta es la versión algo más detallada, que pensé que podría ayudar a los principiantes como yo. Así que vamo
Construir tu Robot de Streaming de Video en Internet controlado con Arduino y frambuesa Pi

Construir tu Robot de Streaming de Video en Internet controlado con Arduino y frambuesa Pi

< el instructivo y el código están listos. ¡ Disfrute! Dejo un comentario Comentarios! >Yo soy (aka LiquidCrystalDisplay / Italia), un estudiante de 14 años de aprendizaje de Israel en el Max Shein secundaria para matemáticas y ciencia avanzada. Est
Steampunk ESP8266 Internet con reloj utilizando el IDE de Arduino

Steampunk ESP8266 Internet con reloj utilizando el IDE de Arduino

¿Qué se obtiene cuando un anillo de NeoPixel, una placa Arduino Wifi barata y un láser de corte entrar a un salón de Punk de vapor?Una moda Steampunk Internet diseñado con reloj utilizando el ESP8266 y el IDE de Arduino por supuesto!Aquí es un proyec
Arduino Nano con WIZ550io = Internet fácil

Arduino Nano con WIZ550io = Internet fácil

Me encanta el Arduino Nano - es una agradable compacta pero totalmente funcional versión de Arduino Uno. Sin embargo, cuando fui a conectar a internet de esa pequeñez y prolijo desaparecidos bajo el gran escudo de ethernet de tamaño completo que tení