El despertador Sunrise (2 / 11 paso)

Paso 2: Preparación de la placa de circuito y soldar

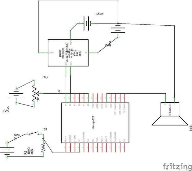
El esquema se une en 3 partes. Recomiendo usar encabezados en todas las clavijas y tomas de IC para todos los bolos. Ahorra mucho daño suceda a los pines que sólo prolonga el proyecto.

  • La primera de ellas son los pines GLCD junto con el ST7565. Esto también tiene las instrucciones de cableado para el cristal en el arduino.
  • El segundo es el DS3231, botón, potenciómetro y los altavoces
  • Opcional: La 3ª es el esquema para la tira de LED
  • Para el relé optoaisladas (debe conectar este encabezado especialmente por, que hace más fácil conectarse), soldar las conexiones de pin 19 (digitalpin13) de arduino para el interruptor de relé utilizar el pinout (que es diferente para cada relé).

Consejos para soldar

  1. Si usted absolutamente nuevo para soldar, sugiero usar encabezados en todas las partes de los proyectos, previniendo cualquier daño de la electrónica.
  2. Consulte imagen 4,5,6 para ver cómo hacer una soldadura mecánicamente fuerte conjunto que es también fácil de soldar. La idea es hacer un aproximadamente 1/2" parte del cable, entonces a partir de 2 agujeros detrás del punto que se desea soldar, hilo de rosca el cable por debajo de la plat a la parte superior de la Junta. Luego pase hacia abajo a través del agujero siguiente. Esto crea un conjunto increíblemente fuerte que puede soldarse.

Artículos Relacionados

Despertador Sunrise

Despertador Sunrise

siempre quise despertar al amanecer cada mañana. Como cambiaron las temporadas tuve que restablecer mi despertador, por lo que se me ocurrió la idea de hacer una alarma sensible luz que se apaga al amanecer.  Es un proyecto muy sencillo que me tomó m
Levantarse y brillar! -Despertador Arduino LDR

Levantarse y brillar! -Despertador Arduino LDR

Este instructable fue creado en cumplimiento de la exigencia de proyecto de la MakeCourse de la Universidad de South Florida (www.makecourse.com).Teoría de operaciónEste reloj de alarma está diseñado para que pueda levantarse con el sol. Cuando la lu
LED alarma Sunrise

LED alarma Sunrise

La capacidad para entender y controlar matrices de LED es una habilidad importante para quien pretende ser versado en la electrónica. La comprensión de los registros de cambio y fila exploración técnicas necesarias para tales hazañas será útil en muc
Despertador LED Sunrise con alarma configurable canción

Despertador LED Sunrise con alarma configurable canción

mi motivaciónEste invierno mi novia tenía un montón de problemas para despertarse en la mañana y parecía sufrir de SAD (trastorno afectivo de temporada). Incluso me doy cuenta de cuánto más difícil es despertar en el invierno, ya que el sol no ha sub
Sonido despertador luz de detección

Sonido despertador luz de detección

En primer lugar quiero decir que este es un proyecto fresco para cualquier gama de nivel de habilidad. Si usted es un principiante con Arduino y está nervioso acerca de la complejidad os animo a probar este como trato a tan útil como pueda y siempre
Despertador fresca hecha a mano

Despertador fresca hecha a mano

JIC ¡ Estoy Noboyu!Hice el despertador.y desde el principio a estudiar.Energía fuente, circuito de reloj, chasis...Aprendí mucho de este Instructables.Paso 1: diseñoHe intentado diseñar chasis en forma de caja.Paso 2: Cómo funciona este relojPaso 3:
Despertador de smartphone

Despertador de smartphone

¡ Hola!En este Instructable le dirá cómo hacer un reloj de alarma apuesto de smartphone. La alarma del reloj muestra la hora, puede cargar el teléfono y alberga un mini amplificador y el altavoz. Tenía la idea de construir este reloj de alarma durant
Reloj despertador utilizando Atmega-328 y RTC

Reloj despertador utilizando Atmega-328 y RTC

Hi todo el mundo! Este es mi primer instructivo! Después de leer cientos de instructables, decidí hacer uno yo mismo.Reloj es una de las cosas más esenciales del asimiento de casa. Hay varios tipos de relojes como buenos viejos relojes de péndulo, re
Chronobot: Un reloj despertador inteligente

Chronobot: Un reloj despertador inteligente

Chronobot es un despertador inteligente que puede sentir su propia orientación. Es un reloj analógico con una caja de aspecto impresionante. El reloj es bastante fácil de construir y configurar. Se hace usando un mini ardunio y una pantalla TFT. Chro
Despertador Robot del balanceo

Despertador Robot del balanceo

¿Alguna vez encuentras apagar su despertador sin darse cuenta sólo para despertar una hora más tarde y tener a la raza por la puerta?En esta estructura vamos a construir un robot despertador que te hace trabajar para apagarlo! No sólo eso, pero el ro
Despertador de RaspberryPi

Despertador de RaspberryPi

Se trata de un despertador basado en un RaspberryPi. Cualquier RaspberryPi funcionará. Utilicé una modelo B1 versión 2 porque tiene los orificios de montaje y la velocidad no importa. Tengo una tarea que debe realizarse cada dos días. Por eso hay un
La plataforma de una bocina a tu despertador!

La plataforma de una bocina a tu despertador!

¿Cansado de llegar tarde para algo? ¿Es suficiente su despertador ruidoso no? Por qué no de la plataforma de una bocina en su reloj de alarma? Aquí es una guía que le enseñará cómo hacerlo.~Si prefieres ver videos. Aquí es un completo video tutorial
Reloj despertador explosivo

Reloj despertador explosivo

el explosivo Alarm Clock es un reloj de alarma completamente funcional con un antiguo reloj alarma pitido.Te hace falta:1. electrónico despertador2. cartón rollos3. envases de papel4. viejos cables5. pegamento6. cinta de aislar7. cortadorPaso 1: desm
Sabia del reloj 3 - despertador geek basada en Arduino

Sabia del reloj 3 - despertador geek basada en Arduino

sabio reloj 3 es un código abierto, altamente hackeable reloj geek que muestra mucho más que el tiempo. Su función principal es mostrar citas editables por el usuario obtenidas de una tarjeta SD (como los usados en cámaras de fotos).Además, Wise relo