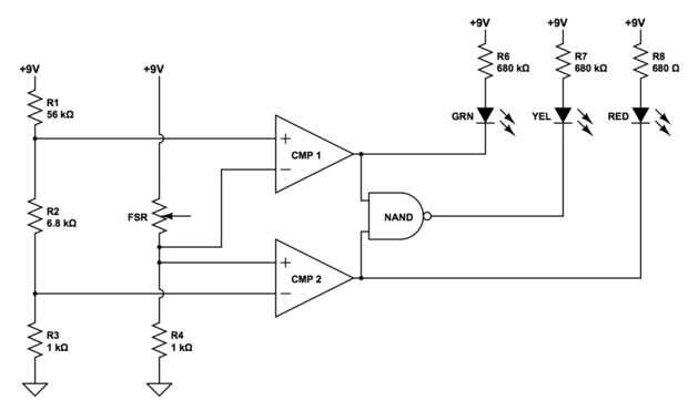
Paso 2: El circuito


Comparador de presión 1 a NAND (rojo) hacia fuera (YEL) Comparador 2 (GRN)
Low LO HI HI
Medium HI LO HI
High HI HI LO
Porque el circuito depende de los divisores del voltaje, recogiendo los valores de resistencia correcto es crítico. La única manera de hacer esto es hacer algunas pruebas para medir la resistencia de la FSR con su vidrio y varias cantidades de bebida. Tal vez hacer algunos cálculos de divisor de tensión utilizando esa información para determinar los valores que deben trabajar y probar todo. Desde luego, puede utilizar los valores muestran en el esquema y la foto, pero sabemos que nuestras gafas pueden tener diferentes pesos, nuestros FSRs podrían ser ligeramente diferentes, que podríamos queremos nuestros LEDs interruptor de nivel de diferentes bebidas y así sucesivamente.
Ahora, la clave de todo el circuito es el FSR, y esto es por dos razones. En primer lugar, como ya he mencionado, es el sensor que cambia realmente como insumos ambientales cambian. En segundo lugar, es necesario dedicar algún tiempo a comprender las reacciones de la FSR a diferentes entradas, pesos y materiales de interfaz. Por ejemplo, apretando entre los dedos hace un gran trabajo de cambiar su resistencia; apretándola entre dos objetos rígidos como piezas de acrílico no hace nada a él. Láminas de goma funcionan bien, trabajo de hojas de goma bien... cualquier cosa con cumplimiento funciona bien. El siguiente paso es entender cómo el tamaño de la interfaz altera el comportamiento - un pedazo de goma más pequeño hará que el FSR cambiar la resistencia en un porcentaje de diferencia que un pedazo de goma más grande (tamaños en relación a la cabeza de la FSR). Así que como prueba para determinar los valores de resistencia, asegúrese de estandarizar una pieza desde el principio y quedarte con él hasta que termines. No me di cuenta de que esto fue el caso hasta que yo ya había cambiado un par de veces, así que fui a través de cierta frustración en averiguar valores de resistencia.
He incluido una foto del circuito en la placa de prototipado en el caso de es más fácil seguir que el diagrama esquemático.