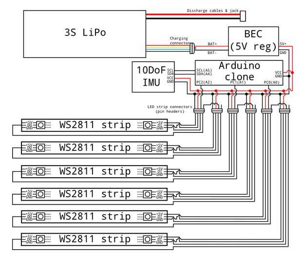
Paso 1: La vista general de cableado

Aquí está el diagrama de mi cableado. No hay ningún componentes eléctricos individuales, sólo la batería, LEDs, regulador de voltaje, el Arduino y cables.
Una cosa que yo hubiera añadido en retrospectiva es una conexión entre BAT + y una de las entradas analógicas del Arduino, por ejemplo, A3 (PC3) a través de resistencias del divisor de tensión para el Arduino puede medir el voltaje de la batería. Descarga de una celda de LiPo por debajo de 3V destruye esa célula.
[Nota: no estoy seguro de lo que los LEDs exactos se llaman, posiblemente WS2812B. En el diagrama he utilizado WS2811 como el nombre de la familia de chips de WS281x y sus clones]