Paso 3: Cortar la madera




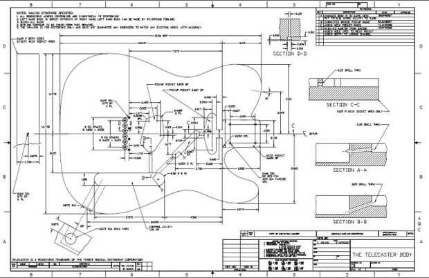
en este paso, tenemos que transferir el plan a nuestro pedazo de madera. Puede utilizar papel negro para hacerlo. En este tutorial puse un plan como fender estilo para hacerlo. Puede ver las medidas y tratar de hacer algo nuevo. Este es el momento de elegir un estilo creativo. Como nos encanta stile de defensa utilizamos nuestro plan.
Algunas personas pueden comprar un pre corte kit fender montante pieza de madera o corte máquina whith un NC.
Para cortar la madera utilizamos una sierra eléctrica de vaivén y una herramienta eléctrica bosch router.