Paso 7: Conecte el telémetro para el regulador micro de su elección




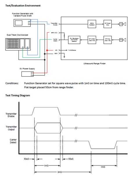
Aquíencontrará una hoja de datos para el ultrasonido Range Finder analógico.
La hoja de datos es una referencia rápida para los parámetros de funcionamiento de la Junta de telémetro y contiene algunos ejemplos para conectarse a la frambuesa Pi y TI MSP430. No tengo una placa de Arduino en mano para probar antes de escribir este artículo para que no cubra aquí para evitar gente engañosa que quiere usar. Aquellos familiarizados con la familia de Arduino de micro controladores fácilmente comprenderá cómo utilizar la interfaz de simple telémetro.