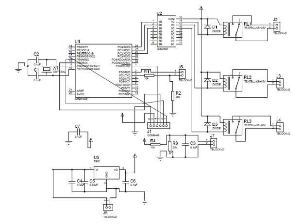
Paso 1: Partes y componentes necesarios

1. ATmega8 microcontrolador 1nos.
2. ULN2803 1nos.
3. SPDT 3nos de relé de 5v.
4. V-reg 7805 y LM317 1nos. cada
5. terminal bloques 6nos.
6. protoboard 1nos.
7. 5v regulados alimentación 1nos.
8. HC-05 Bluetooth módulo 1nos.
9. resistencias, condensadores, diodos, etc..
10. 16MHz cristal oscilador 1nos.
11. algunos cables y cables de puente
12. más importante aún un teléfono Android con BluControl v1.0 o superior instalado.