Paso 5: Cortar el ratón






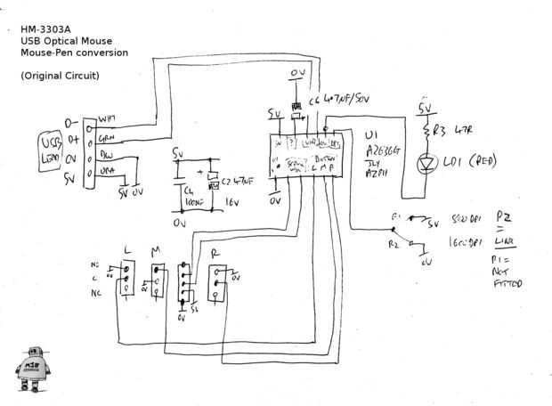
Bien, probablemente tenga en cuenta todas las conexiones y el esquema del circuito en primer lugar, de lo contrario nunca funcionará otra vez :)
Había dos formas de recortar el pcb, elegí una que dejó todos los componentes necesarios y punto de conexión de USB en la extraña pieza triangular. Los botones y rueda de desplazamiento se han ido de cualquier manera.
Los dos condensadores electrolíticos están demasiado altos. De estos soldados y cableado nuevo en, aislando las piernas y les pega abajo con pegamento PVA.
Cubra el sensor óptico. Usé cinta Scotch para detener el polvo en el sensor del agujero de alfiler.
La junta fue atacada con un taladro y el aserrado/lija para limpiar los bordes. Aunque muchas fueron cortados a través, solamente una línea de tierra (0v) debe ser reemplazado con un enlace de corta alambre. Todas otras canciones perdidas eran redundantes o fueron a los interruptores. Esto era buena suerte :)
La rueda de desplazamiento y el botón central del ratón fueron abandonados. Se implementarán sólo izquierda y derecha.