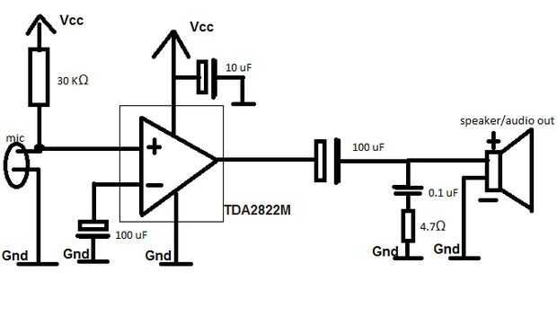
Paso 3: Construir el circuito








DESCRIPCIÓN
El TDA2822M es un circuito integrado monolítico de
paquete 8 Minidip. Está diseñado para uso como
amplificador Dual audio en cassette portátil
reproductores y radios.
chip muy práctico en el uso y bajo costo
En este proyecto su solo canal (mono) ya que no tengo habitación para agregar algunos capasitators más. la toma de audio lo hace para los dos canales pero desde el chip sólo en un canal (puede hacer estéreo utiliza ambos canales y usando dos micrófonos o puente de los canales)
Ahora cuando tengas listo el tablero del circuito. empezar a soldar las piezas en copiando el esquema del cuadro 3 (si tienes algo que decir sobre el diseño por favor decir it yo no soy perfecto y tenga mucho trabajo que hacer al respecto, pero para mí funciona muy bien).
En el diseño en la parte del altavoz pones al conector de audio.
No olvide ajustar el circuito para el teléfono después de cada componente añadido que cabe en el teléfono.





![Auriculares Bluetooth DIY [mod inalámbricos Sony MDR-V6] Auriculares Bluetooth DIY [mod inalámbricos Sony MDR-V6]](https://foto.askix.com/thumb/170x110/0/46/046b7f4468256ed412f346f56110d458.jpg)







