DIY mando Apple Remote (presentación de diapositivas para el instructable)

estas son algunas de las fotos completadas para mi instructable: DIY Apple Remote escudo para Arduino. ¡Que te diviertas! Les espero guste!

Artículos Relacionados

Fácil frambuesa Pi basado en protector de pantalla/presentación de diapositivas para exposiciones y tiendas frente

Fácil frambuesa Pi basado en protector de pantalla/presentación de diapositivas para exposiciones y tiendas frente

En exposiciones a menudo quieren mostrar su trabajo con la esperanza de atraer a nuevos clientes potenciales. Esto también funciona para las ventanas de tiendas para anunciar productos a la venta dentro de. La mayoría simplemente crear un póster gran
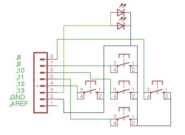
IAndroidRemote - Control Android móvil usando un Apple Remote

IAndroidRemote - Control Android móvil usando un Apple Remote

me encantaria integrar dispositivos que no debían integrarse y esta guía le muestra cómo puede controlar un Android de móvil con Apple Remote. (Quién dijo que los dispositivos de Apple funcionan solamente con productos de Apple ;))También es mi entra
Hacer una dinámica presentación de diapositivas de tus fotos con Photo Story 3

Hacer una dinámica presentación de diapositivas de tus fotos con Photo Story 3

Es una manera de hacer una presentación de diapositivas de foto agradable .wmv con vista panorámica y zoom efectos usando principalmente software libre. Creo que hay maneras más fácil, pero no pude encontrar un instructivo sobre el tema. Mi método va
El tiempo para todos de James Bond en su Mac o el Apple Remote reloj

El tiempo para todos de James Bond en su Mac o el Apple Remote reloj

¿qué hora es?Es el momento de la bomba hasta el volumen!!!y cambio pistas pull up Front Row, o controlar tus presentaciones de Keynote desde super cool reloj.El apple remote es muy bien, sin embargo es apenas otra cosa que llevar o un mando a distanc
INFRA-NINJA controla tu pc con un apple remote

INFRA-NINJA controla tu pc con un apple remote

básicamente este proyecto generado por el hecho de que odio a levantarse de la cama para apagar mi ordenador mientras que ser netflix (ver lo que hice, pirata charla?)de todos modos permite comenzar...Nota: proyecto también está en github aquíPaso 1:
¿Cómo hacer presentación de diapositivas de imagen HTML sin programación?

¿Cómo hacer presentación de diapositivas de imagen HTML sin programación?

Recientemente, he notado que muchos usuarios quieren hacer pase de diapositivas de imagen HTML pero no saben cómo hacerlo. En este tutorial, ayudará a los usuarios a entender cómo hacer la presentación de diapositivas de imagen HTML con la ayuda de p
Casero Mini fresadora Router molino DIY X eje deslizante etapa marco aluminio CNC para máquina impresora 3D

Casero Mini fresadora Router molino DIY X eje deslizante etapa marco aluminio CNC para máquina impresora 3D

Casero Mini fresadora Router molino DIY X eje deslizante etapa marco aluminio CNC para la máquina de la impresora 3DMateriales:Viaje largo 105 mm1 pieza de aluminio 260 x 115 x 16 mm para la cama1 pieza de aluminio 75 mm x 120 mm x 8 mm1 PC 200-8D 8m
Casero Mini fresadora Router molino DIY Z eje deslizante etapa marco aluminio CNC para impresora 3D

Casero Mini fresadora Router molino DIY Z eje deslizante etapa marco aluminio CNC para impresora 3D

Casero Mini fresadora Router molino DIY Z eje deslizante etapa marco aluminio CNC para impresora 3DMateriales:Viaje largo 250 mm1 pieza de aluminio 250 x 110 x 16 mm para la cama1 pieza de aluminio 90 x 90 x 8 mmbrida de 12mm de 2 piezas LMK12UU con
Presentación de diapositivas camión Pick-up de KVG

Presentación de diapositivas camión Pick-up de KVG

esta es una presentación de mi camioneta KVG. tiene neumáticos de grandes dimensiones, dos puertas que se abre, una capilla que se abre y una puerta trasera de la cama que se abre. tiene estribos, frontal y parachoques traseros, suspensiones de goma.
Cómo abrir el Apple Remote

Cómo abrir el Apple Remote

creo que es algo estúpido pero pasar muchas horas para tratar de abrir el control remoto de apple para changhe la batería o sólo para tener un lokk dentro...pruebo muchas cosas diferentes y al final lo abro poco con un cuchillo... después de que habí
¿Cómo crear impresionante presentación de diapositivas con tus fotos de Instagram?

¿Cómo crear impresionante presentación de diapositivas con tus fotos de Instagram?

Aprender a crear presentaciones de diapositivas con fotos de Instagram y guárdela para su iPad, iPhone o compartirlo en Youtube o Facebook.http://www.4kdownload.com/products/product-slideshowmaker
Camry conducto cinta Mod (versión no-presentación de diapositivas)

Camry conducto cinta Mod (versión no-presentación de diapositivas)

para mi primer coche, mi padre me consiguió un Camry de Toyota 1990. Era $100 dólares con el embrague mal, y fue inútil cada centavo de él. Así que le pregunté a uno de mis amigos a venir y ayudarme a arreglar un poco. Esto es lo que se nos ocurrió..
Penny Maze: la presentación de diapositivas.

Penny Maze: la presentación de diapositivas.

Una rápida versión fotográfica de mi último proyecto - generalmente prefiero hacer Instructables paso a paso, pero luego hubo una motivación particular esta vez...La versión corta de las instrucciones:3 piezas de tarjetaDibujar un trazado de laberint
Proyecto de artesanía de papel DIY: Cómo hacer papel multicolor pavo real para la decoración del hogar

Proyecto de artesanía de papel DIY: Cómo hacer papel multicolor pavo real para la decoración del hogar

Un interesante Proyecto de artesanía de papel de DIY puede consistir en una amplia variedad de fácil Hacer lo mismo papel Craft Ideas para hacer en casa. Este proyecto paso a paso tutorial con instrucciones sobre cómo hacer multicolor pavo real de pa