Paso 1: Construir el circuito

::: Lista de componentes::::
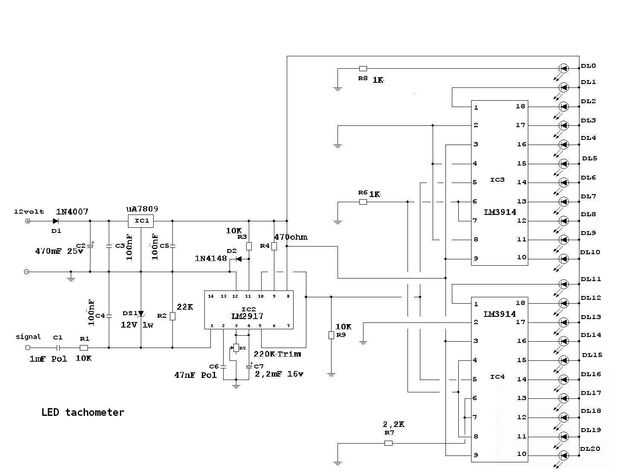
Circuitos integrados:
1 x bobina de LM2917 es la frecuencia a convertidor de voltaje que necesita para convertir la señal de encendido del coche en tensión
2 controlador de pantalla x LM3914 esto es conducido. Cada uno puede conducir 10LEDs en cualquiera modo como este modo proyecto o punto de la barra. Conmutación entre ambos modos se puede hacer, más instrucciones en la hoja de datos.
regulador de voltios 1 x 7809 (salidas de + 9 Volts)
LEDs:
21 LED de cualquier color que desee. He usado unos blancos brillantes. Puede utilizar algunos verde, otras amarillas y algunos rojo para la zona roja. DEBE utilizar unos brillantes si vas a poner cubiertas de papel sobre los LEDs o que van a ser simplemente invisible
El primer LED está continuamente encendida mientras los + 12V fuente está conectada. El 20 restante será iluminado por una medida que aumenta la velocidad del motor
Diodos:
1 x 1N4007
1 x 1N4148
diodo Zener de 1 x 12 voltios
Resistencias:
resistencia variable de 1 x 220 Kohm Trimpot (para calibración)
2 x 1 Kohm
3 x 10 Kohm
1 x 22 Kohm
1 x 2.2 Kohm
1 x 470 ohm (se me olvidaba que tengo una :) Así, conecté dos 1Kohm en paralelo, ver las fotos)
Condensadores electrolíticos:
1 x 470 µFarad 25 voltios (μ = micro)
1 x 2.2 μF 16 v
Condensadores de polipropileno:
3 x 100 nF (nano)
1 x 47 nF
μF 1 x 1 (en cambio, usé 8 x 100nF en paralelo = 0,8 μF: $ y se trabaja)
::: Lista de otras cosas que usted necesita::::
Equipos de soldadura
Multímetro digital
Placa de circuito
Cables de
Disipador térmico de aluminio
Mucha paciencia			











