DIY Arduino PIR Motion Sensor de iluminación y seguridad (5 / 6 paso)

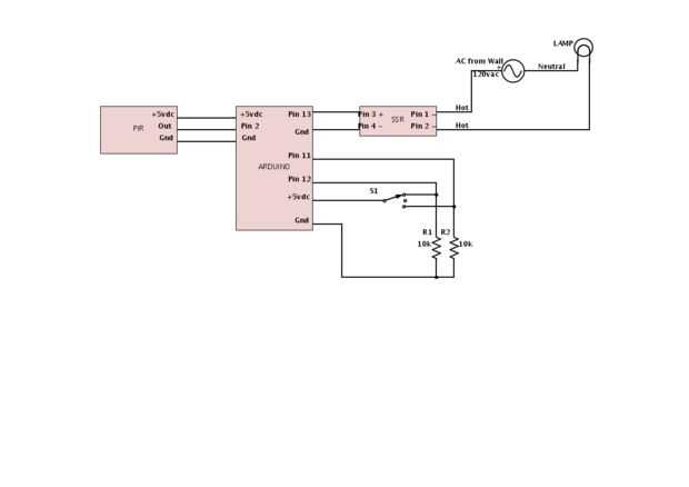
Paso 5: El esquema

Aquí es el esquema que muestra el cableado:

Artículos Relacionados

Sistema de seguridad basado en Arduino PIR Motion Sensor

Sistema de seguridad basado en Arduino PIR Motion Sensor

Este proyecto hará nuestro sistema de seguridad basado en Arduino con sensor de movimiento.Cuando el sistema detecta alarma nos avisará por entrar en circuito.http://make.robimek.com/Motion-Security-System-with-Arduino/Paso 1: materiales: Sensor de m
PIR Motion Sensor Tutorial

PIR Motion Sensor Tutorial

Sensores infrarrojo de pyroelectric ("pasivo"):''' ¿Qué es un sensor PIR?'' 'Sensores PIR permiten movimiento sentido, que casi siempre se utiliza para detectar si un humano ha trasladado dentro o fuera de la gama de sensores. Son pequeños, bara
Repele el PIR motion sensor (covert) Altavoz caja alarma del gato

Repele el PIR motion sensor (covert) Altavoz caja alarma del gato

Se trata de un dispositivo de sensor de movimiento PIR que trabaja con el arduino uno. Para que sea encubiertas para ser colocados en múltiples configuraciones y portable lo suficiente para caber la mayoría de los lugares, decidí hacer el caso para a
Piezoeléctrico, PIR motion sensor todo conectado a un arduino

Piezoeléctrico, PIR motion sensor todo conectado a un arduino

¿tienes gente constantemente le molesta? Si es así, utilice esto para saber cuando vienen.Paso 1: Conseguir sus piezas de1. Arduino uno2. conectar los cables3. protoboard4. piezoeléctrico zumbador5 LED6 código (arduino, ir a hacer some.com para el có
Simple Arduino PIR Motion Detector módulo Demo

Simple Arduino PIR Motion Detector módulo Demo

Sé que hay un montón de Instructables y tutoriales sobre esto. Mi objetivo es simplificar todo lo hasta los huesos desnudo mínimos necesario para que un principiante (como yo) puedan obtener su funcionamiento antes de frustrarse y abandonar.Para que
Arduino + PIR (sensor de movimiento)

Arduino + PIR (sensor de movimiento)

Sistema detector de movimiento hecho con arduino y el sensor pasivo PIR.Paso 1: Preparando componentes. Para la donde de este proyecto son necesarios unos pocos componentes.* La tarjeta arduino.* El sensor de movimiento PIR.* Una resistencia.* Alguno
Alarma de Twitter Arduino con un sensor PIR. aka AlarmIno

Alarma de Twitter Arduino con un sensor PIR. aka AlarmIno

Hola hoy mostrará usted como hacer una Twitter alarma de Arduino con un sensor PIR.Le será necesario:Un pin de parallax PIR sensor 3Cable EthernetEscudo de Ethernet (que yo uso éste)ProtoboardArduino UNO6 cables de puentePaso 1: Conexión lo para arri
Simplificado de medición de corriente CA Arduino usando el Sensor de efecto Hall ACS712

Simplificado de medición de corriente CA Arduino usando el Sensor de efecto Hall ACS712

Este es un simplificado enfoque mi Instructable previo con respecto a la corriente con el sensor de corriente ACS712 medición AC... enlaceSimplificaciones son:Eliminando el especial circuito de acondicionamiento de señal - en lugar de ello vamos a ut
Termómetro de Arduino usando el Sensor de temperatura LM35

Termómetro de Arduino usando el Sensor de temperatura LM35

Termómetro de Arduino usando el Sensor de temperatura LM35 es una muy simple de implementar Arduino basado en proyecto. Su inició un proyecto perfecto si usted es un principiante y acaba prácticamente pruebas proyectos de Arduino.En este proyecto nos
Iluminación de escalera LED NeoPixel Motion Sensor

Iluminación de escalera LED NeoPixel Motion Sensor

Hola a todos!Este es mi primer Instructable tan desnuda por favor conmigo. Cualquier comentarios y sugerencias serán apreciadas grandemente! Quería compartir mi proyecto con la esperanza de que puede simplificar la investigación, planificación, diseñ
WebCam Con Arduino YUN Y PIR MOTION

WebCam Con Arduino YUN Y PIR MOTION

Aunque existen diversas formas de conectar una cámara al Arduino YUN y realizar un proyecto parecido, una forma sencilla de hacerlo es con un teléfono celular que ya no usemos, para utilizarlo como una WebCam.Sin embargo la complejidad estaría en la
Arduino DIY 3D gesto IR Sensor

Arduino DIY 3D gesto IR Sensor

Si te gusta este proyecto por favor vote por ella en el "Concurso de sensores 2016" como me tomó mucho tiempo hacerlo (pulsando el botón superior derecho que dice "Votar").* ¿Has alguna vez has querido utilizar gestos de mano para cont
¿Sensor de proximidad infrarrojo DIY (Arduino Compatible)

¿Sensor de proximidad infrarrojo DIY (Arduino Compatible)

siempre miraba en Sparkfun o Adafruit para algunas partes de robot fresco y vio esos costosos sensores de proximidad infrarrojos y ultrasonido? Tengo y realmente quería uno, pero son tan caros ($30-$40 o más) así que decidí que yo podría hacer uno yo
Kit de bricolaje para Bluetooth Motion Sensor, Arduino, BluTule.

Kit de bricolaje para Bluetooth Motion Sensor, Arduino, BluTule.

Este es un instructivo cómo crear un sensor de movimiento que reacciona en el movimiento de humanos y de animales y se lo notificará en su smartphone. Es también una instrucción de cómo montar su kit de bricolaje de Blutule campaña de Kickstarter.Pas