Paso 2: Hardware

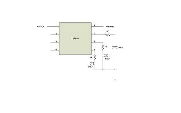
El diagrama muestra el 12F683 que hemos utilizado en algunos de los episodios anteriores, pero este circuito funcionará igualmente, así como con muchas otras versiones PIC. Sólo necesita conectarse a los pines equivalente Si utilizas una versión diferente de la PIC. Los únicos componentes necesarios para crear largos tiempos de espera son los componentes conectados al pin 7. Se agregaron los LEDs y sus resistencias de limitación actuales para darnos una indicación visual de la época entre wake ups. AN879 de nota de aplicación de microchip proporciona toneladas de buena información sobre el hardware y el software para usar esta característica. El resistor de 220 Ohmios se utiliza para limitar la corriente máxima procedente del PIC cuando se carga el condensador. AN879 recomienda por lo menos 200 ohmios cuando se utiliza condensadores más grandes que 50pf.
El resistor de 220 Ohmios tiene un impacto insignificante en el tiempo de retraso debido a la alta resistencia equivalente interna para el PIC. En realidad, el PIC tiene un fregadero actual interno de sobre 140nA para que el tiempo de espera puede ser calculado como aproximadamente 30ms por nano faradio en 5 voltios. Debido a las características del condensador elegido variará con el tiempo y temperatura, no tenemos tiempos muy precisos. Por otra parte, nuestro objetivo es conseguir largos tiempos de espera para cualquier inexactitud no es probablemente crítico. Una de las cosas que usted debe considerar es la fuga de corriente (descarga) del condensador, especialmente si escoges un valor mayor de 1uf. Como regla general, los condensadores de cerámica tienen las menor tantalums actual, salida la siguiente más baja, y electrolíticos son los peores. En mis experimentos utilicé cerámica para valores debajo de 1uf y tantalums para valores 1uf y superior. El condensador de 47uf que muestro en el diagrama es el más grande he probado, simplemente porque es el tantalio más grande que encontré en mi caja de chatarra. Si ejecuta los cálculos, debe proporcionar un tiempo de espera de 23,5 minutos pero mina real fueron unos 26 minutos. Un condensador de 10uf me dio 5.5 minutos (aproximadamente 5 minutos), un 1uf me dio 32 segundos (aproximadamente 30 segundos) y un 0.1uf me dio poco más de 3 segundos (aproximadamente 3 segundos).
Como se mencionó anteriormente, los LEDs en el diagrama dan una indicación visual en caso de tiempo de la demora. Usé uno rojo y uno verde así que fue muy evidente cuando el interruptor había ocurrido. Vino en práctico en el tiempo de espera muy largo porque sólo podría hacer furtivamente una ojeada ocasional de en toda la habitación.