Disco duro después de la vida (3 / 7 paso)

Paso 3: La interfaz de Midi

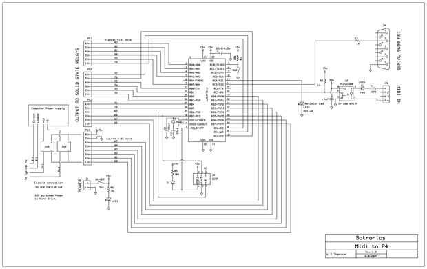
construí mi propia interfaz Midi para reproducir los discos duros.  El circuito usa un PIC 16F877 para recibir midi de una tarjeta midi dentro de un ordenador y activar módulos de conmutación de estado sólido. Ambos + 5 y + 12 voltios Energía se aplica a los discos duros. Usé los módulos porque ya tenía algo en un estante agradable de un proyecto anterior.  Transistores o relés podrían utilizarse para hacer lo mismo.  La idea principal es activar y desactivar los discos duros con midi. Alambré el PIC 16F877 y el resto de los componentes en un tablero de pref de Radio Shack.

Artículos Relacionados

Reemplazo acertado de controlador de disco duro

Reemplazo acertado de controlador de disco duro

en este instructable caminar a través de los pasos que he seguido para diagnosticar correctamente y cambie la tarjeta de controlador defectuoso en mi viejo Maxtor 80 GB de disco duro y finalmente me permitió recuperar mis datos.Descargo de responsabi
Madera y aluminio imanes de un disco duro

Madera y aluminio imanes de un disco duro

Como un carpintero aficionado, pensé que sería divertido para experimentar con algunas de las maderas de mayor nivel. Ver el video (y leer este Instructable) para ver cómo hice algún lujo de madera y aluminio imanes, usando madera de desecho y los im
Segunda vida de los discos duros MFM - Iambic clave telegráfica

Segunda vida de los discos duros MFM - Iambic clave telegráfica

timelesson.blogspot.com/2010/02/second-life-of-dead-mfm-hard-drives.html¿Te acuerdas de un disco duro MFM? No demasiado rápido, pero muy grande - 20 Mb en el rack de 5 pulgadas, era un algo especial! Tiempos pasados y las unidades hermosa decididas d
REPARACIÓN de disco duro portátil Samsung M3

REPARACIÓN de disco duro portátil Samsung M3

Me encanta mi disco USB portátil de M3. Su sólo un Terabyte pero fue un regalo de bienvenida un par de años atrás.Una de las cosas que me gustó era que usted podría ser áspero con ella toma desde un PC sin tener que preocuparse acerca de la corrupció
ESTUCHE PROTECTOR DE DISCO DURO EXTERNO.

ESTUCHE PROTECTOR DE DISCO DURO EXTERNO.

CASO DEL PROTECTOR DEL DISCO DURO EXTERNO:-Disco duro externo es poco difícil de llevar con seguridad.Aquí es lo mejor y barato llevar el disco duro externo con seguridad en cualquier condición meteorológica.Todo el material utilizado en este proyect
Usar un disco duro para cortar un registro

Usar un disco duro para cortar un registro

Nos desnudaron 8 unidades de disco duros hacia abajo el determinar el actuador más adecuado para nuestra aplicación.Corte la ranuraDespués de haber visto imágenes del brazo de actuador de disco duro de tocar cuando se conecta al amplificador nos conv
Upcycle viejo USB Floppy Drive a base de disco duro USB

Upcycle viejo USB Floppy Drive a base de disco duro USB

así que el otro día estaba hurgando en algunas cajas de computadoras y electrónica de la materia y descubrí una unidad de disquetes USB. Ahora no te puedo decir la última vez recuerdo que usando un aparato de esos, ni le puedo saber la última vez que
Reloj de disco duro - persistencia de la visión

Reloj de disco duro - persistencia de la visión

1. POV bastantes relojes, ¿por qué es especial?Bueno, principalmente porque es el mío. Hay por ahí bastantes relojes POV en la web utilizando a todo tipo de mecanismos de pantalla, chasis, controladores. Decidí construir no es exactamente uno de ello
Cómo desfragmentar tu disco duro

Cómo desfragmentar tu disco duro

Los discos duros son dispositivos de almacenamiento muy utilizados en la mayoría de los ordenadores hoy en día. Estos discos duros tienen varios discos metálicos en su interior que giran alrededor de 5400 RPM o 7200 RPM. Estos discos se denominan dis
Desmontar carcasa externa de disco duro Seagate

Desmontar carcasa externa de disco duro Seagate

es este instructable para el desmontaje seguro de Seagate 3,5 pulgadas botón de Backup externos discos duros como se ve aquí:http://www.Seagate.com/www/en-US/products/external/pushbutton_backup/En primer lugar, ¿por qué alguien querría desarmar esta
Baja potencia brazo basado en servidor de ficheros usando hasta 5 discos duros de escritorio.

Baja potencia brazo basado en servidor de ficheros usando hasta 5 discos duros de escritorio.

Hay aquí otros instructables que detallan varias opciones de crear un servidor de archivos de su cuenta, pero típicamente involucran ya sea un poder tragarse Intel o AMD basado en tablero (con eficacia un PC con muchos discos duros) o algo como un Pi
Adaptador de 3.5" para discos duros de 2.5"

Adaptador de 3.5" para discos duros de 2.5"

Por lo que he intentado arreglar la laptop de un amigo y resultó que el cpu estaba muerto, que prácticamente significó que su vida terminó, pero no todo fue roto. Él no quiere por lo que había rescatado la ram, disco duro y fuente de alimentación. El
Cómo recuperar eliminado fotos de disco duro paso a paso

Cómo recuperar eliminado fotos de disco duro paso a paso

gracias a la alta calidad de disco duro, nuestra vida cotidiana se convierten en más conveniente, y podemos disfrutar de un ambiente siempre-cada vez más móvil en el trabajo o en casa. Podemos poner nuestras fotos, música favorita, películas maravill
Montaje magnético para cámara o proyector de viejos discos duros

Montaje magnético para cámara o proyector de viejos discos duros

Hace poco compre un proyector de pico (Estanque de Pico toque) y estaba buscando una manera práctica montarlo para que apunte hacia abajo sobre una mesa o varias otras superficies para crear un "smart board" donde quería. Que ya había creado un