Paso 3: esquema

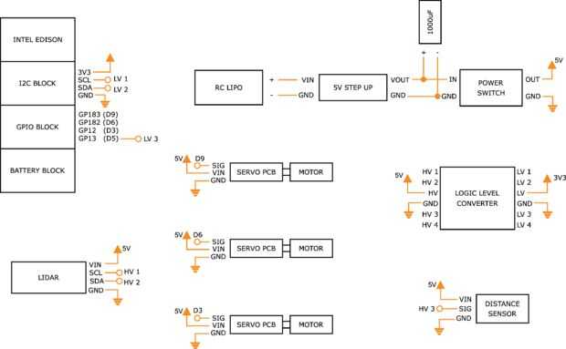
Energía
El dirigible tiene dos sistemas de alimentación con el fin de reducir el ruido de los circuitos del motor. El primero es el sistema de tensión inferior que es suministrado por la batería de LiPo conectada al bloque de poder de Edison. Esto suministra las tensiones necesarias para la Edison, así como el carril de alimentación de 3V3 para la conexión del LV en el convertidor de nivel de lógica. El bloque de batería tiene un mini interruptor de control en el lado. La segunda fuente de alimentación es proporcionada por el mini batería LiPo RC que es impulsado a 5V a través del paso convertidor y cambiar con el botón de alimentación antes de ser conectado al LIDAR, motores, sensor de infrarrojos y conexión de alto voltaje en el convertidor de nivel de lógica.
Control del motor
Los motores son controlados por los controladores de servos micro. Es difícil de superar el tamaño compacto de una tarjeta controladora de servo micro. Utilizando los controladores de servo en lugar de otros puentes de H o transistores permite solo perno, bidireccional PWM regulación de los motores.
Procesamiento de
Un Edison Intel conectado a un bloque de I2C y breakout GPIO permite comunicarse con los otros sensores. La señal PWM de 3V3 es lógicamente lo suficientemente alta para controlar directamente los motores servo, pero necesita ser impulsado a 5V para las señales I2C y para la lectura segura de la salida digital del sensor IR.
Sensores de
Los pernos de I2C Lite LIDAR están conectados a través del convertidor de nivel de lógica para la toma de corriente en el bloque de Edison I2C. El sensor de distancia infrarrojo también es traducido a nivel de la Edison. Mientras que el sensor de infrarrojos puede funcionar en 3V3, tiene un rango de detección ligeramente superior a 5V, y así podríamos utilizamos las conexiones adicionales del convertidor de nivel!