DIP de MSP430 de programación usando un ez430 (3 / 4 paso)

Paso 3: programación

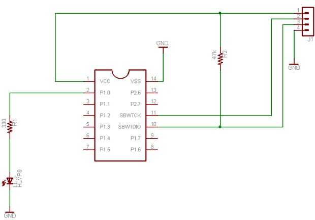
Como ya he mencionado, una vez que tienes el hardware listo, el ez430 es fácil de usar. El programa Kickstart IAR que se incluye con el dispositivo obtendrá usted arriba y corriendo rápidamente. Hay un programa de ejemplo incluido que parpadea un LED conectado al puerto 1.0. Para ejecutar el programa de ejemplo sobre la tabla, sólo agregar en el LED y resistencia en el pin 2 y 47 k ohmios Levante resistencia en el pin 10 y debe ser y parpadeando.

Otro recurso de programación para aprender a usar el msp430 se puede encontrar en este sitio web.

Eso es bastante. Hay algunos otros programas de ejemplo que hay. Si quieres intentar antes de saltar a programar su propio una búsqueda rápida para msp430 proyectos debe red bastantes resultados. Buena suerte y feliz programación!

Artículos Relacionados

MSP430 basado en Chronulator (usando un chip Launchpad)

MSP430 basado en Chronulator (usando un chip Launchpad)

recientemente, he estado experimentando con microcontroladores. Un proyecto que realmente me llamó la atención fue la Chronulator en http://www.sharebrained.com. Al mismo tiempo, Texas Instruments lanzó juego de un experimentador llamado Launchpad po
Introducción a la programación (usando una calculadora)

Introducción a la programación (usando una calculadora)

este Instructable le dará habilidades básicas programa simple ecuaciones en tu calculadora.  Voy a usar una calculadora TI-84 Plus y sé que esto transferirá directamente sobre la TI-83.  Algunas calculadoras pueden utilizar un lenguaje ligeramente di
El chipkit dp32 de programación usando el IDE de Arduino

El chipkit dp32 de programación usando el IDE de Arduino

chipKIT juntas tienen más memoria y potencia de cálculo que muchas placas Arduino, y como resultado, son mucho mejores en la manipulación de datos.En el otro lado, el IDE de Arduino es fácil de usar y entender.Así que qué pasa si nos podríamos interc
Python programación - usando la función split()

Python programación - usando la función split()

# este programa demostrará la función split() de Python.# Se dividirá una frase en una cadena en palabras# crear cadena con frasealdea = "ser o no ser, que es la cuestión."# imprimir la cadena como entróImprimir ("la cadena según se hayan i
MSP430 acelerómetro microSD Datalogger

MSP430 acelerómetro microSD Datalogger

Este proyecto comenzó como un datalogger de EMG estudiar la enfermedad de Parkinson de mi padre, pero después de unas pruebas que determiné usar electrodos no era práctico para el registro de datos a largo plazo que quería hacer, los datos terminaron
La ESP8266 WeMos-D1R2 de programación mediante software/IDE de Arduino

La ESP8266 WeMos-D1R2 de programación mediante software/IDE de Arduino

En este Instructable lo guiará a través de los pasos necesarios para instalar, configurar y programar el tablero de WeMos-D1R2 mediante el IDE de Arduino.WeMos-D1R2 es un ESP8266-12 unidad de microprocesador habilitar WiFi en un espacio de Arduino UN
Programación de un servidor HTTP en ESP-8266-12E

Programación de un servidor HTTP en ESP-8266-12E

En este Instructable, juntos emprenderemos el camino de la programación de la Junta de desarrollo de ESP8266-12E WIFI como un servidor HTTP. Utilizando un navegador web le enviaremos instrucciones para el ESP8266-E12 para cambiar su comportamiento. D
ATtiny programación Shield para Arduino

ATtiny programación Shield para Arduino

este circuito poco sienta bien ontop de una placa Arduino y te permite conectar rápidamente un ATtiny chip de programación usando la Arduino "lengua" y IDE para escribir el código y la placa Arduino como programador ISP para cargar el código en
PICAXE "snap conector" kids kit de microcontrolador!

PICAXE "snap conector" kids kit de microcontrolador!

Aquí es un acercamiento ingenioso que se adapta a un Reino Unido sourced microcontrolador PICAXE - 08M en el módulo de sonido destripado de un kit electrónico colorido "conector rápido". Está diseñado alrededor de la más simple (y más barato!) 8
Python coding for Minecraft

Python coding for Minecraft

Este Instructable muestra cómo instalar y utilizar un mod que escribí que te permite controlar el Minecraft con secuencias de comandos de python. A centrarme en Windows, aunque OS X y Linux debería funcionar igual de bien.Scripts de Python pueden gen
Contador de dispositivo de frambuesa Pi 2 DIY LED LAN

Contador de dispositivo de frambuesa Pi 2 DIY LED LAN

¿Sabe usted Cuántos dispositivos están en tu red local? Eso es lo que preguntan en el hackerspace HackBergen.Sí, hay disponibles programas y aplicaciones para escanear tu red, pero también podemos analizar con la frambuesa Pi (RPi) y mostrar el resul
16F84 fácil microcontrolador programador - JDM

16F84 fácil microcontrolador programador - JDM

en este instructable, te voy a mostrar cómo construido y probado este circuito simple pero potente.El programador JDM es mi programador de microcontrolador favorito. Es un circuito simple y compatible con muchos cargadores de software.Yo he construid
Un adaptador de teclado de ThinkPad USB mejor

Un adaptador de teclado de ThinkPad USB mejor

Cuando casé inició con microcontroladores, único lo que yo quería hacer más fue un adaptador USB para mi teclado ThinkPad T60. Siempre he disfrutado escribiendo en mi teclado T60 y me encantaria usarlo en todos los portátiles que puedo comprar en el
Atmel arranque 1: Estudio de Atmel y programador

Atmel arranque 1: Estudio de Atmel y programador

M. A. Parker c2015Estudio instalación de Atmel (AS) y un programador representan los primeros pasos [0] en el camino al uso de una unidad individual de Atmel AVR microcontrolador MCU [1] en contraposición a la MCU-en-una-junta como Arduino [2]. Aquí