Paso 2: Electrónica: iluminación y sonido






Uso de iluminación y sonido en un apoyo realmente añade esa dimensión extra y trae cosas a la vida, el detonador termal no es la excepción.
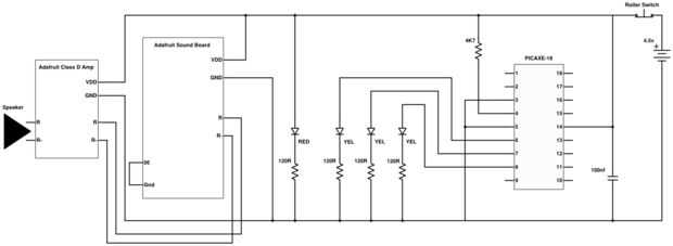
Para volver a crear los efectos de luz se utilizan los siguientes elementos:
- Microcontrolador PICAXE
- 3 x 2.1v Voltaje delantero de LED amarillo
- 1 x LED rojo 2.1v Voltaje delantero
- 1 x 4 k 7 resistencia
- Resistencias 4 x 120Ω
- Condensador de 100nf x 1
Para volver a crear los efectos sonoros se utilizan los siguientes elementos:
- Adafruit FX sonido tablero
- Adafruit 2.8W clase D amplificador de Audio
- Visaton K50 8Ω altavoz le recomiendo usar un altavoz pequeño perfil para ahorrar espacio
Alternativamente Adafruit también tienen una combinación de amplificador y tarjeta de sonido, aunque el stock es limitado, ya que creo el tema han ido desapareciendo.
Todo esto es accionado mediante un 4.5v fuente de batería, que utiliza 3 pilas AAA para fines de prueba y estas son reemplazadas con 3 x N en el montaje final para ahorrar espacio.
Asamblea
El circuito está montado según el esquema previsto. El encendido/apagado de la conmutación se realiza con un interruptor de NC (normalmente cerrado) del rodillo. Cuando el deslizador superior se deslice hacia atrás para revelar el LED rojo, se abre el interruptor del rodillo. Esto cierra el circuito, activando las luces y sonidos.
Destella luz y PICAXE
Las luces amarillas en la parte delantera del detonador están diseñadas para replicar el patrón y el momento de la prop de la película. Sólo aparece en pantalla en ROTJ durante unos pocos segundos para que el inicio del patrón de luz se replica de las escenas de la película, el resto del patrón se toma de la prop Master réplicas. Esta secuencia de luz se logra utilizando un microcontrolador PICAXE, el código que utilizan para programar el chip se proporciona a continuación. Me ha pasado tener un pin de repuesto 18 PIC a mano pero para ahorrar espacio se recomienda que use un chip de 8 pines en su lugar.
La tapa armónica de Adafruit es asombrosamente fácil de programar. Desencadenadores son fijados por simplemente nombrar el archivo de audio, utilizando un formato de nombre de archivo que se corresponde con el interruptor de gatillo correspondiente. Para más información siga el tutorial de Adafruit. Yo sólo he utilizado el efecto de sonido de detonador principal, pero también es posible añadir efectos adicionales (es decir, explosión detonador cuando el apoyo se agita) mediante la adición de interruptores de inclinación etc..
Como alternativa a la tarjeta de sonido de adafruit también puede usar una Junta de PlecterLabs que es cargado con una fuente de sonido detonador termal que incluye varios otros efectos y características.
La parte más complicada del montaje final hace realmente todo a encajar, ser tan conservador como sea posible con longitudes de cable al soldar todo junto, quiere minimizar el uso innecesario de espacio como se pone muy apretada en allí!
Tenga en cuenta que no he incluido el archivo de audio como parte de este instructable del sonido efecto detonador termal como no estoy seguro de la situación de derechos de autor. Creo que fue tomada desde un apoyo de detonador termal de Master réplicas creada bajo licencia de Lucasfilm por lo que no soy capaz de volver a distribuir abiertamente :( Si usted se dirige a Google encontrará algunos efectos de sonido que se puede utilizar.