Despertador fresca hecha a mano (4 / 8 paso)

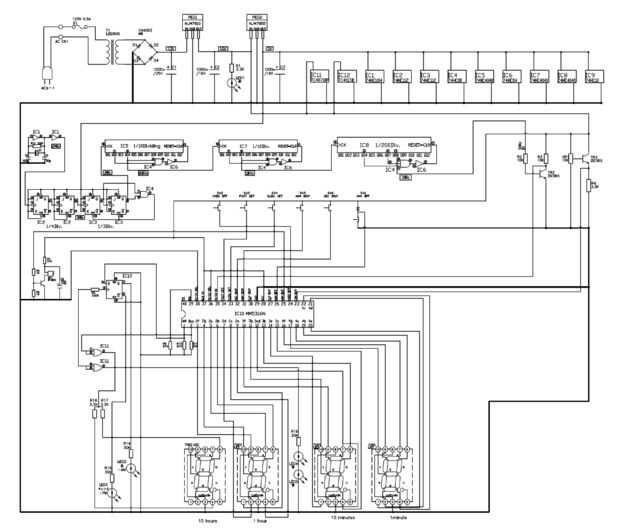
Paso 4: Diagrama del circuito

Por favor tenga cuidado cuando usted hace poder suministro (para convertir AC en Dc).
Puede causar una descarga eléctrica.

Tengo casi una descarga eléctrica :-}

Datos PDF están aquí.

Artículos Relacionados

Cómo crear una tarjeta de felicitación hecha a mano "La fábrica".

Cómo crear una tarjeta de felicitación hecha a mano "La fábrica".

Realmente puede hacer la vida construyendo y hacer tarjetas hechas a mano en casa.  Lo hice por recibirá más de 2.000 tiendas para unos 15 años haciendo las tarjetas de esta manera. Por supuesto, después de un tiempo he pagado a otras personas para h
Tutorial de joyería hecha a mano de dibujos animados de Disney - collar DIY Pocahontas

Tutorial de joyería hecha a mano de dibujos animados de Disney - collar DIY Pocahontas

este tutorial de joyería hecha a mano le mostrará una forma sencilla y diferente para hacer un collar DIY de la Pocahontas de Disney película.Este tutorial de joyería hecha a mano está inspirado en Disney de dibujos animados películas Pocahontas, que
Fácil reciclado manualidades: Cómo hacer caja de joyería hecha a mano palos de helado

Fácil reciclado manualidades: Cómo hacer caja de joyería hecha a mano palos de helado

Hola a mis amigos encantadoras en Instructables. Esta vez nos dejan actualizar algunos recuerdos de la infancia y una vez más hacer un esfuerzo de hacer una Artesanía fácil reciclado y lganar cómo hacer un helado de palillos a mano caja de joyería. H
Sentirse mejor pronto hecha a mano tarjeta

Sentirse mejor pronto hecha a mano tarjeta

Sentirse mejor pronto hecha a mano tarjetaMateriales: papel cartulina, pegamento, aribbon, lápiz, cuchillo de corte, piedras de un sello y reinadoCómo hacerlo:1. dibujar los pies y cortar2 aplicar polvo en contornos con el sello3. luego pegar los ded
Tarjetas de Navidad hechas a mano fáciles y rápidas | Arte de dar

Tarjetas de Navidad hechas a mano fáciles y rápidas | Arte de dar

¡Hola!Qué divertidas, fácil, asequible y únicas hecho a mano tarjetas de Navidad! Ser creativo y crear tus propias tarjetas de Navidad para dar a su familia y amigos esta Navidad! Estas tarjetas no verán la parte inferior de la papelera este año!No o
Packs de regalo fácil tarjeta hecha a mano | Arte de dar

Packs de regalo fácil tarjeta hecha a mano | Arte de dar

¡Hola!Me encanta esta idea de dar un paquete de tarjetas hechas a mano! Usted puede ser tan creativo con las tarjetas, incluso hacer algunas tarjetas de ocasión basado! Así que incluyen algunos cumpleaños los, día de San Valentín, día de la madre, co
Pantalla hecha a mano

Pantalla hecha a mano

todo lo que necesitas es un paño absorbente, cartón, roto espejos, hoja cellophine, papelería básica y aproximadamente un tiempo de días.Y su pantalla hecha a mano está listo para regalo.(La decoración puede variar)Cellophine añade una dimensión inte
Tarjeta de San Valentín hecha a mano

Tarjeta de San Valentín hecha a mano

ser un vervid tarjeta y con Valentín rastrero cerca, decidí que mi siguiente entrada Instructable consistiría en eso. ¿Quién no ama el gesto sentimental de regalos a mano? Sé que soy un lechón para ellos! A continuación te mostramos lo fácil que es d
Tarjeta quilling hecha a mano

Tarjeta quilling hecha a mano

se trata de una sencilla tarjeta hecha a mano de papel conocido como quilling.Dentro de la tarjeta es simple. Puede ser dotado para cualquier ocasión como nuevo hogar, nuevo bebé o simple año nuevo.
Tarjeta de cumpleaños hecha a mano

Tarjeta de cumpleaños hecha a mano

POR FAVOR VER EL VIDEO DE ARRIBA PARA PASOSAquí es muy fácil a mano tarjetas de cumpleañosEstas tarjetas de cumpleaños hechas a mano son fáciles de hacer evern que tu hijo de 6-7 años puede hacerlo.En este proyecto de tarjetas de cumpleaños hechas a
3D había enclavijada Rose por herramientas hechas a mano.

3D había enclavijada Rose por herramientas hechas a mano.

Cuando alguien me preguntaría cuando era un niño cuál era mi flor favorita, yo siempre digo rosa. Afortunadamente es muy sencillo de re-crear mi flor favorita con una tira de papel utilizando otras herramientas quilling hecha a mano.Hoy en mi primer
Piedras preciosas hecha a mano y collar de cristal Link

Piedras preciosas hecha a mano y collar de cristal Link

Este video le mostrará cómo hacer un collar de enlace a mano con un alambre envuelto. El collar hecho en el video tiene azul Calcedonia las piedras preciosas, perlas de agua dulce, Crystals de Swarovski y un colgante de corazón de ágata. Puede cambia
Tarjeta hecha a mano beso para pareja para el aniversario

Tarjeta hecha a mano beso para pareja para el aniversario

POR FAVOR VER EL VIDEO DE ARRIBA PARA PASOSAquí es muy fácil San Valentín día tarjeta hecha a mano Pop Up KissEstos día a mano Pop Up beso tarjeta de San Valentín son tan fáciles de hacer que incluso sus 6-7 años edad niño puede hacerlo.En este proye
Crear una capa enmarcada en su tarjeta hecha a mano

Crear una capa enmarcada en su tarjeta hecha a mano

Es mucho más fácil añadir esta capa enmarcada a la tarjeta hecha a mano de lo que parece. Ver este vídeo tutorial. http://www.mystamplady.com