Paso 6: Hacer el escudo


Para hacer el escudo de mi método de tomar una impresión de las ilustraciones en una hoja transparente con la impresora para la salida más oscura. Utilice la obra de arte para marcar los bordes en una hoja de la placa y corte dejando márgenes. Ahora Limpie el lado cobre usando lana de acero y papel de lija fino hasta que tenga una superficie brillante (guantes de goma, cobre es tóxico). Después de la limpieza esté la hoja seca y limpia y desengrasa la superficie de cobre con un pañuelo empapado en alcohol. Ahora toma la hoja para el cuarto oscuro. Cortar un trozo del foto polímero (Dupont Riston) tiene aproximadamente del tamaño de la placa de control. Ahora la placa de control con la hoja de polímero en laminado y dejarlo para enlazar correctamente. Después de laminar utilizar el arte para desarrollar la placa de control. exponiendo a la luz ultravioleta fuente. Que necesita para desarrollar la junta con las recomendaciones del fabricante.
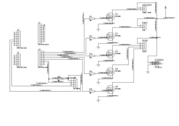
También puede utilizar un tablero revestido de cobre previamente sensibilizado o utilizar el método de transferencia de toner / CNC fresado / Etch métodos marcador resistente para hacer el PCB.
Después de desarrollar el circuito impreso, grabado con grabadores como HCL o FeCL2. Después de que haya grabado lavar la placa de control y recorte hasta las fronteras. Perfore agujeros para los componentes con un moto-tool Dremel o proxxon en un soporte de taladro. Ahora toma los siguientes componentes y soldarlos a la placa de control
Canal N MOSFET x5
10 resistencias de k x 6
Conector JST (para dht22) x1
Conectores PCB Terminal Plugin x5
prueba de montar un arduino y subir y probar el código.
diseñado usando proteus 8













