Paso 2: Circuitos y materiales


1 x transmisor:
1 x RaspberryPi
1 x n-channel MOSFET (FQP30N06L)
1 x resistencia de ohmios de 2.2 k
resistencia ohm 1 x 100
1 laser de x (650nm 5mW)
1 x mini trípode con cabeza esférica
1 x receptor:
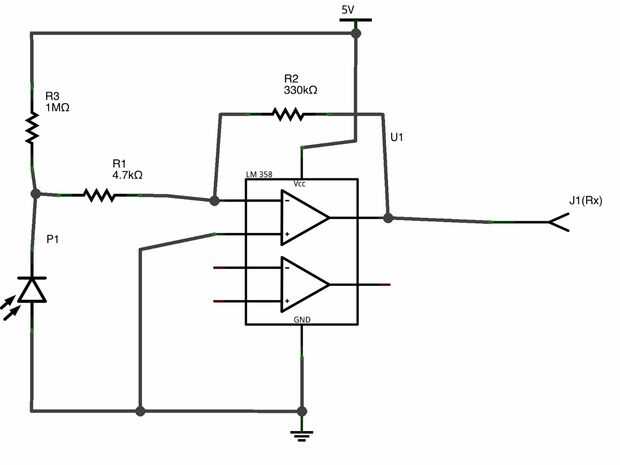
1 x RaspberryPi
resistencia de 1 x 1M ohm
1 x resistencia de ohmios de 330 k
1 x resistencia de ohmios de 4.7 k
1 x amplificador operacional IC (LM358)
6 x Photodiodes (SFH213)
1 x taza de espuma de poliestireno
El circuito del transmisor se conecta al pin Tx serial en uno de los RaspberryPis y el circuito receptor al pin Rx serial en el otro Pi. Usted puede tener un transmisor y un receptor en cada RaspberryPi, sólo tienes que duplicar la cantidad de componentes.