Paso 3: R/2R DAC


- identificar y discutir los componentes de un R/2R DAC
- crear, construir y modificar un R/2R DAC
- crítica y evaluar el valor y limitaciones de este diseño
La escalera R/2R DAC
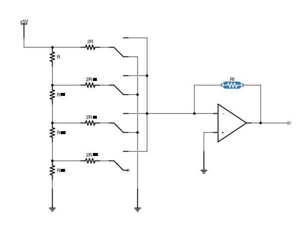
El principal beneficio de pasar a este tipo de medida CAD es su capacidad para superar las deficiencias requiere precisión encontrada en la escala, compensación binario DAC de la sección anterior. Además, reduce los valores diferentes de resistencias necesarias para sólo tres: R, 2R y Rf. El término R/2R significa un resitor de valor R y un resistor de valor 2R o dos veces el valor de R. cheque hacia fuera la figura he incluido a continuación.
Como era de esperar, aquí están las fórmulas pertinentes o importantes al trabajar con este tipo de DAC.
I = Vref/r
Isum = I (S3/2 + S2/4 + S1/8 + S0/16)
Vout = -Isum * Rf
Donde Vref es 5V, y S0 S3 son los interruptores en la ilustración con S3 en la parte superior y S0 en la parte inferior. Suma es la suma de las corrientes en la entrada inversora del amp op y Rf es la resistencia de realimentación del amplificador sumador.
La clave para comprender cómo funciona este DAC es doble.
En primer lugar, usted debe darse cuenta de que la corriente a través de cualquier interruptor es siempre la misma independientemente de si está conectado a GND o Vref. Si el interruptor está conectado a la tierra,suma fluirá a la tierra pero si el interruptor se produce para arriba, entoncessuma entrará en la entrada inversora del amp op como el amplificador operacional crea un terreno virtual en la entrada inversora (Recuerde que establecer un amplificador operacional de entrada a la tierra sin inversión hará que la inversión de entrada = 0V a través de retroalimentación negativa... Si necesita una actualización por favor revisa mi guía DIY Práctico amplificadores de la operación ).
Cuando comprendas que la corriente que fluye a través de cualquier interruptor es siempre constante, hace resolviendo para las variables de las ecuaciones más fáciles como la corriente que suministra por Vref total será constante, así. Una vez que has grok'd, usted puede averiguar qué fracciones de la pasa corriente total a través de cada una de las ramas dentro de la red de R/2R con algunos análisis de circuito simple.
Es clave para entender cómo la resistencia (y por lo tanto, actual) se calcula y se puede hacer mediante la realización de una reducción de circuito simple. Por favor refiérase a mis prácticos divisores del voltaje para obtener detalles sobre cómo se hace. Una vez hecho esto, usted tendrá un medio coherente para generar fracciones de 1/2I 1/4I, 1/8I y 1/16I que conseguirán sumar juntos por el amplificador operacional. Por ejemplo, si se produce interruptores S3, S2y S1 (1101), obtenemos 1/2I 1/4I y combinación actual 1/16I en Isuma. A sí mismo, simplemente podemos utilizar ley de Ohm v = IR o solucionar para I, I = V/R. Así, suponiendo que Vref de 5V, R de 10 K ohm y Rf de 20 K obtenemos = 5V/10 K = 500 uA. Con esto,suma = 1/2(500uA) + 1/4(500uA) + 1/16(500uA) = 406.25 uA. Voltaje de la salida de la final,a es entonces Va = - Isuma* Rf = - 500uA * 20 K = - 8.125V para un valor de entrada digital de 1101.
Para crear una R/2R DAC con resolución más alta sólo tienes que añadir más divisores de voltaje y tener cuidado al seleccionar sus resistencias.
Ahora estás listo para poner lo que has aprendido a usar y construir un R/2R DAC. Dar vuelta la página y vamos a ir!