Paso 2: Conexión de los componentes


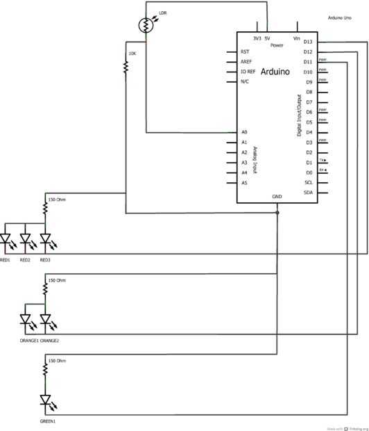
El ldr tiene una pierna conectada a 5 voltios de arduino y el otro conectado a tierra de la arduino a través de la resistencia de 10 k. La ldr también tendrá una pierna conectada a 0 analógico.
Todos los LED se conectan en paralelo con sus terminales positivo conectado a arduino (rojo - pin digital 13, pin digital naranja - pin digital verde y 12 - 11) y sus terminales negativo conectado a tierra a través de una resistencia de 150 ohm.
Espero que el diagrama (hecho con Fritzing) explica esto mejor que tengo.