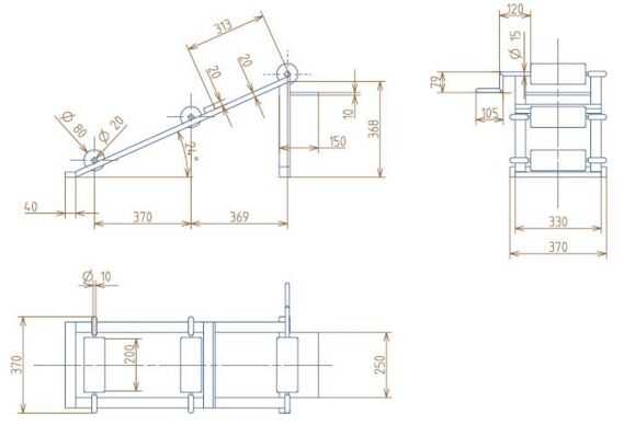
Paso 6: Subconjunto 4: cinta transportadora











Tablones de madera de 20 mm x 40 mm con una longitud de:
- 330mm (2 x)
- 908mm (2 x) (y un chaflán de 66° en un extremo y a 60° en el otro) Fig 5
Tablones de madera de 40 x 40 mm con una longitud de:
- 350mm (2 x)
- 328mm (2 x) (en een afschuining van 66°) Fig 6
Un tablón de madera de 250 x 150 x 10 mm
Tubo de aluminio con un diámetro de 15mm con una longitud de:
- 120mm (1 x)
- 72mm (1 x)
- 97mm (1 x)
Pinrolls con una longitud de 250mm (3 x)
La Asamblea de este es bastante sencillo. Hemos añadido un PDF con todas las dimensiones y donde todo pertenece. Hacer el marco, como lo hicimos en la foto, asegurando la pinrolls donde sea necesario. Tuvimos que improvisar y hacer nuestro propio ya que sólo teníamos dos. Después de esto agrega los soportes en la parte inferior y un mango que se muestra en el dibujo del CAD.