Paso 3: conectar



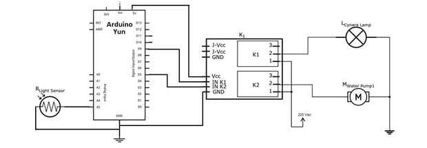
Conecte todos los componentes como se describe en el esquema del proyecto. Utilizamos el tinkerKit shield 2.0 porque tenerlo, era conveniencia. Los conectores de la pantalla coinciden con los especificados en el código. Salida 04 -> pin D5 (bomba de agua), 02 -> D9 (lámpara de cynara), entrada I5 -> A5 (sensor de luz). También puede utilizar un protoboard y establecer las conexiones apropiadas.













