Paso 2: Breadbording




muy conductor y las condiciones de derecho accidentales. Respetar en todo momento cualquier eléctrico
lineamientos de seguridad que has aprendido. Si no sabes todo, iryaprenderalgunos.
Siempre me gusta ver mi LED y resistencia combinadas con mi protoboard.
Asegura que no sólo el LED y la fuente de alimentación están en orden de trabajo, será
también permiten para ajustar con sus resistencias antes de comprometerte a soldar. Mi primer
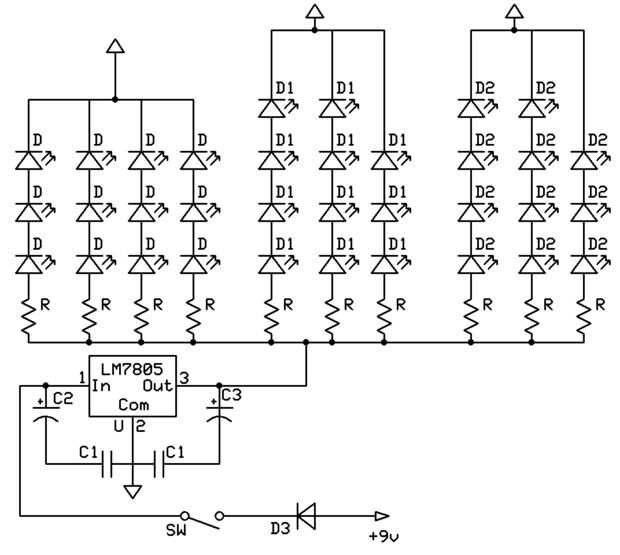
Luz del LED utiliza un total 34 de LED. Opté por usar 12 LED blanco, dividido en 4
cadenas de 3 LED. Cada cadena tiene una resistencia de 220 ohm soldada a los ánodos
de la cadena de LED. Mismo ocurre con los restantes 3 azul y 3 cadenas de LED rojo.
Sin embargo desde entonces usé azul 11 y 11 LED rojo. Sus cadenas debían ser dos 4
LED y una de 3 cadenas de LED, para cada color.
Una vez que hayas verificado los componentes, usted estará listo para pasar al ajuste permanente
los componentes en una placa de circuito de su elección.