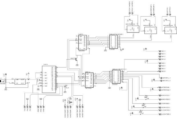
Paso 3: electrónica

Piezas requeridas
Núcleo de 1 chispa
Condensador .1UF 3
1 condensador .01UF
1 sensor DHT11
1 NPN2222 hace que los registros de cambio estén apagados cuando a partir
2 matriz ULN2803 transistores
Registro de desplazamiento de 2 74HC595N
3pin 3 Terminal de tornillo
Terminal de tornillo 7 2pin
2 4 pin a borne de tornillo
1 Sensor de PH, electrónica Robotshop
1 PPM Sensor y electrónica Robotshop
1 sensor de temperatura del agua Robotshop
Las piezas pueden adquirirse en













