Crear usted mismo un flasher mensaje con ATMEGA128 (2 / 4 paso)

Paso 2: El esquema

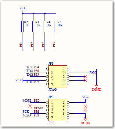
Here's the schematic,
Separar, porque no puedo poner una pantalla en una imagen de tiempo...
Supongo que ustedes tienen la habilidad en el dibujo del PCB ya que no incluyo el PCB dibujo aquí.
Siguiente paso es crear el código y compilarlo...

Artículos Relacionados

BRRRRAAAAIIINSSSSSS! Hacer usted mismo en un zombie con photoshop CS5

BRRRRAAAAIIINSSSSSS! Hacer usted mismo en un zombie con photoshop CS5

este instructable fue hecho para el concurso de edición de fotos de halloween. Este es mi primer intento de un instructable espero que hizo bastante fácil de seguir. Después de mucho ensayo y error, finalmente fui capaz de producir una imagen zombief
Crear usted mismo registrador de datos de temperatura USB con ATMEGA128

Crear usted mismo registrador de datos de temperatura USB con ATMEGA128

Hola chicos,Quiero presentarles mi proyecto de fin de semana que utiliza ATMEGA128En este proyecto que vamos a utilizar RTC, LCD, USART, FT232RL y USB cable macho a machoPaso 1: Preparar todos los componentes que necesitamos 1. ATMEGA128A2. PCB placa
Crear usted mismo ATMEGA128 un generador de tono simple

Crear usted mismo ATMEGA128 un generador de tono simple

Hola chicos,En este proyecto que quiero compartir mi experiencia sobre ATMEGA128 generando un tono simple,He creado 8 tonos (1 octava)Vamos a empezar!Paso 1: Preparar los componentes Vamos a preparar los componentes,Necesitamos:1. altavoz, acabo de c
Construir usted mismo mensaje que destella en PIC16F877A con el ensamblador

Construir usted mismo mensaje que destella en PIC16F877A con el ensamblador

chicos, en esta instrucción paso a paso,Quiero compartir mi experiencia privada con PIC16F877A y lenguaje ensamblador,Yo lo llamoConstruir usted mismo mensaje que destella en el PIC16F877A con ensambladorVamos a preparar las piezasPaso 1: Las piezas
No hacerlo usted mismo: Empezar un imperio editorial de libro con Turco mecánico

No hacerlo usted mismo: Empezar un imperio editorial de libro con Turco mecánico

por lo que al principio Imperio editorial libro propio. Pero, ¿quién va a escribir esos libros? ¿Y quién va a dibujar las ilustraciones? Que otros lo hagan para usted! Las masas en línea anónimas rebosan de historias esperando a ser contada e imágene
Flash LED con cero en el equipo de Kano

Flash LED con cero en el equipo de Kano

Yo he perdido la cuenta de Cuántos ordenadores que he construido en los años, pero creo que es seguro decir que el Equipo de Kano era la construcción más fácil cada vez. Así de simple un niño podría hacerlo. Fundadores de Kano, Yonatan Raz-Fridman, A
Como marca de fábrica usted mismo

Como marca de fábrica usted mismo

en este día y edad, posibles jefes o admisión a la Universidad utiliza los medios sociales para explorar su candidato. Aquí están algunos consejos simples y ejemplos de cómo lucir bien para el jefe de ole.Paso 1: Paso 1: Google usted mismo! Compruebe
Crear la ilusión del holograma con gráficos personalizados

Crear la ilusión del holograma con gráficos personalizados

Hice este instructable tras ver uno similar aquí.Pensé que además de mostrar cómo configurar un holograma illusiton pude Mostrar personas cómo a también creat custom motion gráficos para el holograma.Que provive un breve tutorial sobre cómo crear los
Cómo crear un autopatcher para windows xp con archivos por lotes

Cómo crear un autopatcher para windows xp con archivos por lotes

cómo crear un autopatcher para windows xp con archivos por lotesDescripción sólo, fotos nunca pueden existir :)Paso 1: Todos los pasos enumerados aquí porque es duro de leer en varias páginas1. crear una nueva carpeta en el escritorio2. descargar tod
Cómo crear un sitio Web Flash de Adobe

Cómo crear un sitio Web Flash de Adobe

Dale sabor a tu presencia online creando tu propio sitio Flash. Aquí es cómo.Se necesita:* Un ordenador con acceso a internetAdobe Flash CS4Paso 1: Paso 1: crear nuevo documento de Flash En el programa Flash de Adobe, seleccione Archivo de Flash (Act
Cómo hacer usted mismo en un pájaro!

Cómo hacer usted mismo en un pájaro!

El temprano y mediados de los años 60 vieron los adelantos a los dispositivos de descenso de nylon ripstop en Francia y los Estados Unidos. Ripstop nylon es un material que se utilizó para reemplazar a paracaídas de seda en la década de 1940. El pabe
Construir usted mismo un coche RC (actualizado)

Construir usted mismo un coche RC (actualizado)

siempre he querido construir mi propio coche RC, y aquí está...Este es mi primer instructable, ser bueno = 3** ACTUALIZADO **Ahora mi coche de RC tiene un sistema de aceleración proporcional, trabaja para al revés y remite. Vea el paso 5El resultado
Cómo usted mismo enseñar algo nuevo

Cómo usted mismo enseñar algo nuevo

LO PRIMERO ES LO PRIMERO! Esto puede o puede no funcionar para todos! Por favor quiero saber si lo hace; Este proceso ha trabajado otra vez para mí, pero esta es la primera vez nunca he sugerido algo así a nadie. Hasta ahora, es bastante efectivo, as
Compruebe su luz del motor del cheque usted mismo!

Compruebe su luz del motor del cheque usted mismo!

¿Has tenido esa sensación horrible cuando se enciende su luz del motor del cheque (CEL), mientras que usted está conduciendo? ¡ Tengo! El pensamiento que va a costar más de $100 que el distribuidor u otras tiendas diagnostiquen su vehículo es bastant