Paso 1: Teoría de operación


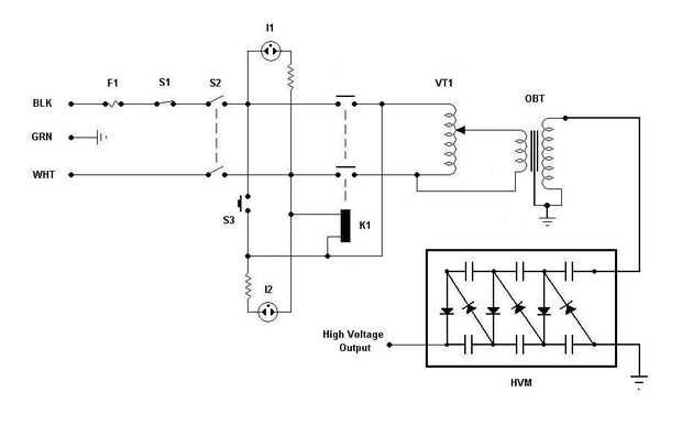
Tensión de red se aplica a la alimentación a través de un conector de Panel VAC 120. Con el caso cerrado, pasa corriente por un fusible de 5 Amp, F1 y a través del interruptor de seguridad caso S1 causando el indicador listo, I1 a la luz cuando el interruptor S2 se coloca en la posición ON para energizar la fuente.
En este momento, la fuente de alimentación es no sobre sino en un estado de disposición para enegize la etapa de alto voltaje.
Cuando se presiona el pulsador S3, relé K1 energiza y mantiene energizado después de S3.
Corriente pasa a través del Variac, VT1 que ajusta el voltaje de entrada para el OBT. El OBT intensifica la tensión de entrada a un máximo de 6.000 VAC. La salida de la OBT se alimenta en el multiplicador de alto voltaje, donde se multiplica a 51.000 VDC salida HVM.
Para Desenergice la fuente, coloque S2 en la posición OFF. K1 se Desenergice y cortara la energía del OBT y HVM y todos los indicadores se apagan.
El interruptor de seguridad del caso y el contactor de potencia no son necesarios para esta fuente de trabajo. La capacidad de energía enciende y apaga mediante el uso de un pulsador me pareció cool. Esto es todo. El segundo esquema muestra quitada.